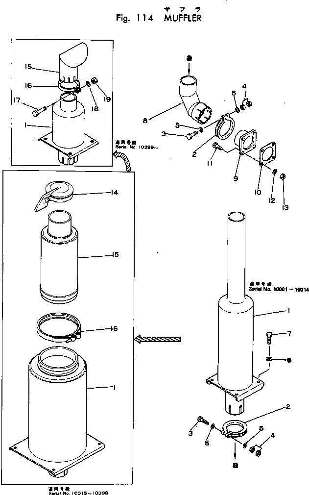
Запчасти Komatsu JH80C-1 ГЛУШИТЕЛЬ КОМПОНЕНТЫ ДВИГАТЕЛЯ И ЭЛЕКТРИКА

Схема запчастей Komatsu JH80C-1 - ГЛУШИТЕЛЬ КОМПОНЕНТЫ ДВИГАТЕЛЯ И ЭЛЕКТРИКА
FIT
1:1
100%

Артикул

Название

Примечание

Количество

1

385-10227551

MUFFLER

SN: 10399-UP

1шт.

|1

385-10116841

MUFFLER

SN: 10015-10398

1шт.

|1

385-10076831

MUFFLER

SN: 10001-10014

1шт.

2

381-986560-1

CLAMP

SN: 10001-UP

2шт.

3

382-025687-1

BOLT

SN: 10001-UP

2шт.

4

382-025526-1

NUT

SN: 10001-UP

4шт.

5

382-025555-1

WASHER

SN: 10001-UP

4шт.

6

382-025555-1

WASHER

SN: 10001-UP

4шт.

7

382-025274-1

BOLT

SN: 10001-UP

4шт.

8

385-10076821

TUBE

SN: 10001-UP

1шт.

9

385-10076611

FLANGE

SN: 10001-UP

1шт.

10

385-10076931

GASKET

SN: 10001-UP

1шт.

11

382-024842-1

BOLT

SN: 10001-UP

4шт.

12

382-025553-1

WASHER

SN: 10001-UP

4шт.

13

382-025522-1

NUT

SN: 10001-UP

4шт.

14

385-10100441

CAP

SN: 10015-10398

1шт.

15

385-10227571

PIPE

SN: 10399-UP

1шт.

|15

385-10098951

PIPE

SN: 10015-10398

1шт.

16

385-10227711

CLAMP

SN: 10399-UP

1шт.

|16

385-10098961

CLAMP

SN: 10015-10398

1шт.

17

382-024843-1

BOLT

SN: 10399-UP

1шт.

18

382-025544-1

WASHER

SN: 10399-UP

1шт.

19

382-025522-1

NUT

SN: 10399-UP

1шт.

Выбрано товаров: 23