Запчасти Komatsu W20-1 ЗАДН. РАМА И ПРОТИВОВЕС РАМА И КУЗОВ

Схема запчастей Komatsu W20-1 - ЗАДН. РАМА И ПРОТИВОВЕС РАМА И КУЗОВ
FIT
1:1
100%

Артикул

Название

Примечание

Количество

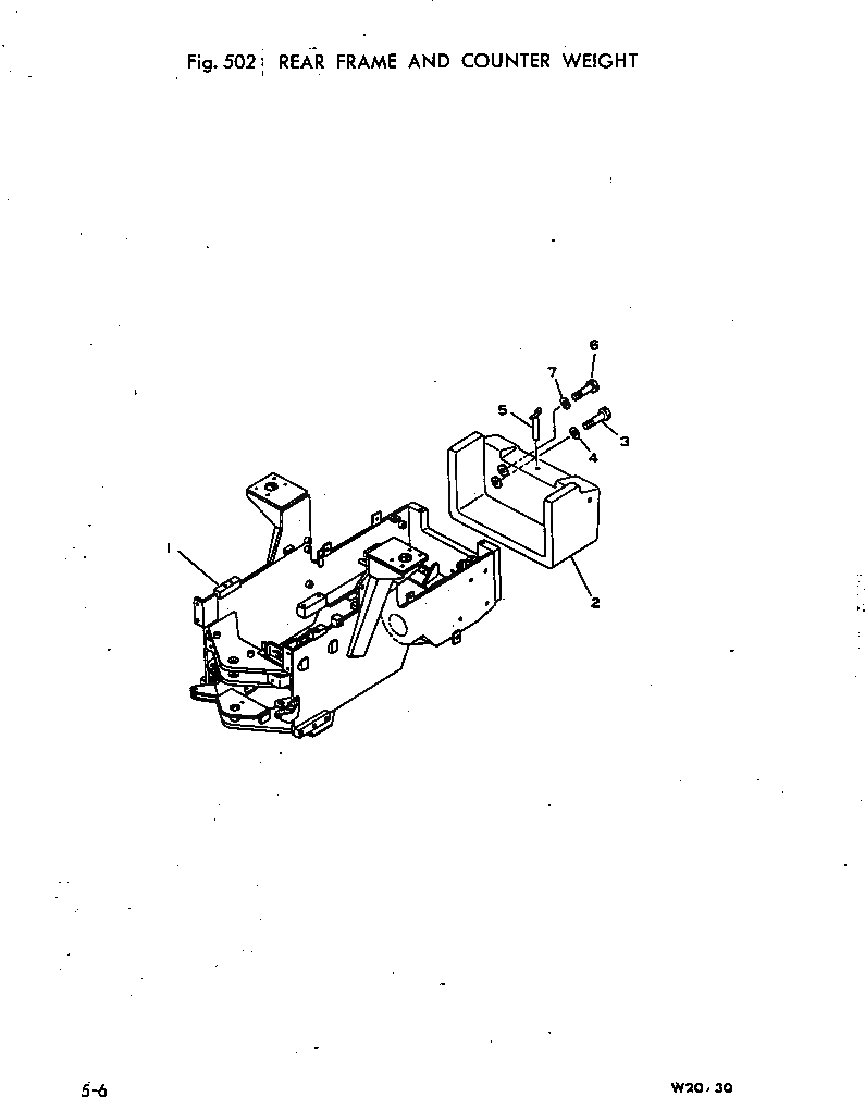
1

385-10265591

FRAME,REAR

SN: 10001-UP

1шт.

2

385-10215922

WEIGHT,COUNTER

SN: 10001-UP

1шт.

3

01011-52460

BOLT

SN: 10001-UP

2шт.

4

01643-32460

WASHER

SN: 10001-UP

2шт.

5

385-11092791

PIN ASS'Y,DRAWBAR

SN: 10001-UP

1шт.

6

01011-52460

BOLT

SN: 10000-10000

2шт.

7

01643-32460

WASHER

SN: 10000-10000

2шт.

Выбрано товаров: 7