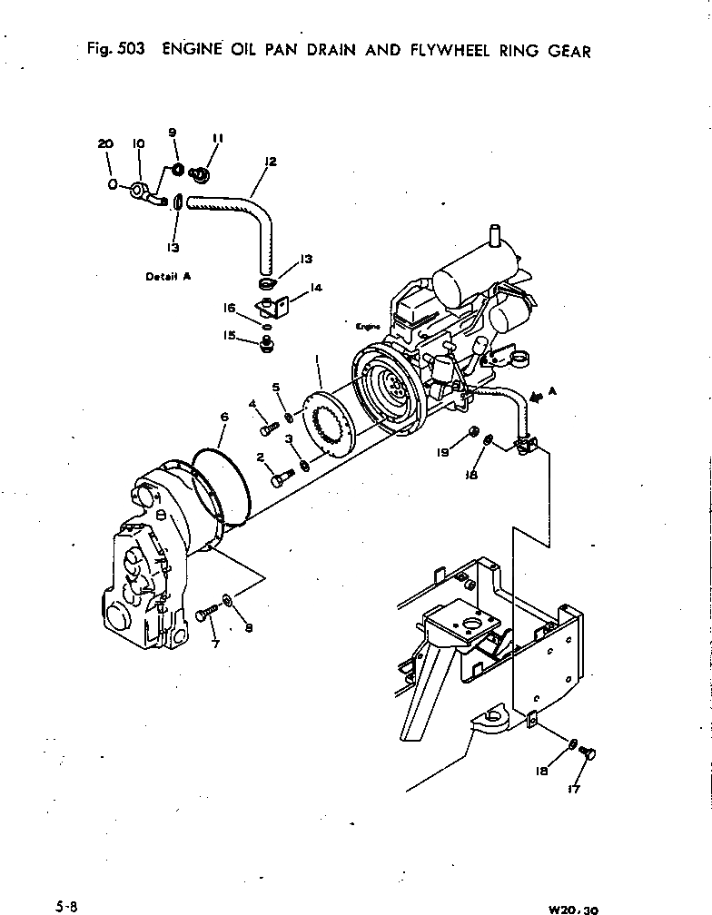
Запчасти Komatsu W20-1 ПОДДОН ДВИГ-ЛЯ ДРЕНАЖН. И МАХОВИК RING ПРИВОД РАМА И КУЗОВ

Схема запчастей Komatsu W20-1 - ПОДДОН ДВИГ-ЛЯ ДРЕНАЖН. И МАХОВИК RING ПРИВОД РАМА И КУЗОВ
FIT
1:1
100%

Артикул

Название

Примечание

Количество

1

385-10110981

GEAR,RING

SN: 10001-UP

1шт.

2

385-10110991

BOLT

SN: 10001-UP

3шт.

3

01643-31032

WASHER

SN: 10001-UP

3шт.

4

01010-30830

BOLT

SN: 10001-UP

6шт.

5

01643-30823

WASHER

SN: 10001-UP

6шт.

6

385-10090911

O-RING

SN: 10001-UP

1шт.

7

01010-51030

BOLT

SN: 10001-UP

12шт.

8

01643-31032

WASHER

SN: 10001-UP

12шт.

9

07005-02416

GASKET

SN: 10001-UP

1шт.

10

385-10110962

TUBE,EYE

SN: 10001-UP

1шт.

11

385-10193721

BOLT,JOINT

SN: 10001-UP

1шт.

12

385-10110951

HOSE

SN: 10001-UP

1шт.

13

382-333710-1

CLAMP

SN: 10001-UP

2шт.

14

385-10135592

BRACKET,OIL DRAIN

SN: 10001-UP

1шт.

15

07044-12412

PLUG,DRAIN

SN: 10001-UP

1шт.

16

07002-02434

O-RING

SN: 10001-UP

1шт.

17

01010-51240

BOLT

SN: 10001-UP

1шт.

18

01643-31232

WASHER

SN: 10001-UP

2шт.

19

01580-11210

NUT

SN: 10001-UP

1шт.

20

07002-02434

O-RING

SN: 10001-UP

1шт.

Выбрано товаров: 20