Запчасти Komatsu W30-1 КАРДАНН. ВАЛ ВЕДУЩ. ВАЛ¤ ДИФФЕРЕНЦ. И КОЛЕСА

Схема запчастей Komatsu W30-1 - КАРДАНН. ВАЛ ВЕДУЩ. ВАЛ¤ ДИФФЕРЕНЦ. И КОЛЕСА
FIT
1:1
100%

Артикул

Название

Примечание

Количество

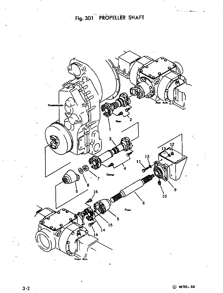
1

385-10156841

DRIVE SHAFT ASS'Y

SN: 10001-UP

1шт.

2

01010-30840

BOLT

SN: 10001-UP

8шт.

3

385-10156851

DRIVE SHAFT ASS'Y

SN: 10001-UP

1шт.

4

01010-30840

BOLT

SN: 10001-UP

8шт.

5

385-10129511

YOKE

SN: 10001-UP

2шт.

6

385-10135741

SHAFT,STUD

SN: 10001-UP

1шт.

7

01599-02425

NUT

SN: 10001-UP

1шт.

8

01643-32460

WASHER

SN: 10001-UP

1шт.

9

385-11042841

BEARING,FLANGE

SN: 10001-UP

1шт.

10

382-016964-1

FITTING,GREASE

SN: 10017-UP

1шт.

10

0

FITTING,GREASE

SN: 10001-10016

1шт.

11

01010-31445

BOLT

SN: 10001-UP

4шт.

12

01580-01411

NUT

SN: 10001-UP

4шт.

13

01643-31445

WASHER

SN: 10001-UP

8шт.

14

385-10155511

SPIDER ASS'Y

SN: 10001-UP

1шт.

15

07020-00000

FITTING,GREASE

SN: 10001-UP

1шт.

16

01010-30840

BOLT

SN: 10001-UP

8шт.

Выбрано товаров: 0