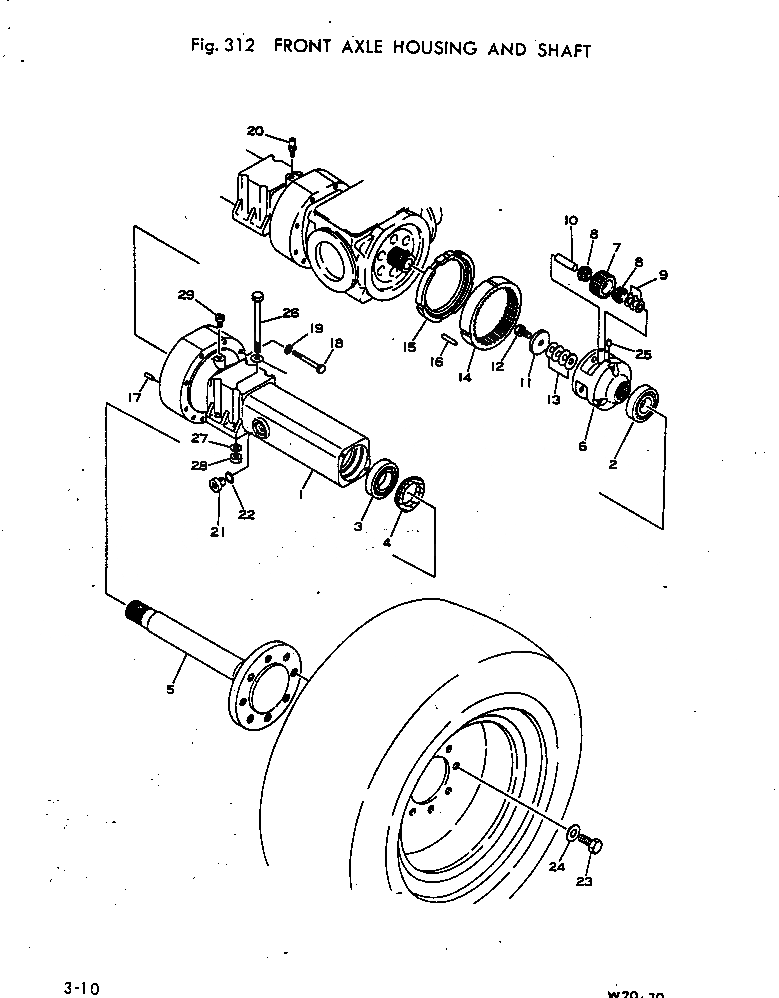
Запчасти Komatsu W30-1 ПЕРЕДНИЙ МОСТ¤ КОЖУХ И ВАЛ ВЕДУЩ. ВАЛ¤ ДИФФЕРЕНЦ. И КОЛЕСА

Схема запчастей Komatsu W30-1 - ПЕРЕДНИЙ МОСТ¤ КОЖУХ И ВАЛ ВЕДУЩ. ВАЛ¤ ДИФФЕРЕНЦ. И КОЛЕСА
FIT
1:1
100%

Артикул

Название

Примечание

Количество

|$0

385-10249562

FRONT AXLE ASS'Y

SN: 10001-UP

1шт.

|$$2

THIS ASSEMBLY CONSISTS OF ALL PARTS SHOWN IN FIGS.311 AND 312.

-1шт.

1

385-10228651

HOUSING,FRONT AXLE

SN: 10001-UP

2шт.

2

381-937077-1

BEARING,BALL

SN: 10001-UP

2шт.

3

385-10109051

BEARING,BALL

SN: 10001-UP

2шт.

4

385-10228642

SEAL,OIL

SN: 10001-UP

2шт.

5

385-10129441

SHAFT,AXLE

SN: 10001-UP

2шт.

6

385-10125521

CARRIER,PLANET

SN: 10001-UP

2шт.

7

385-10125532

GEAR,PLANET

SN: 10001-UP

6шт.

8

381-973614-1

CONE,BEARING

SN: 10001-UP

12шт.

9

381-973616-1

SHIM, 0.2MM (KIT)

SN: 10001-UP

-2шт.

9

381-973617-1

SHIM, 0.3MM (KIT)

SN: 10001-UP

-2шт.

9

381-973618-1

SHIM, 0.5MM (KIT)

SN: 10001-UP

-2шт.

10

385-10125541

PIN,PLANET

SN: 10001-UP

6шт.

11

385-10129451

WASHER

SN: 10001-UP

2шт.

12

01010-31230

BOLT

SN: 10001-UP

2шт.

13

385-10125551

SHIM, 0.05MM (KIT)

SN: 10001-UP

-2шт.

13

385-10125561

SHIM, 0.20MM (KIT)

SN: 10001-UP

-2шт.

13

385-10125571

SHIM, 0.30MM (KIT)

SN: 10001-UP

-2шт.

13

385-10125581

SHIM, 0.80MM (KIT)

SN: 10001-UP

-2шт.

14

385-10156111

GEAR,RING

SN: 10001-UP

2шт.

15

385-10156101

RING,BRAKE

SN: 10001-UP

2шт.

16

385-10152811

PIN,DOWEL

SN: 10001-UP

6шт.

17

04020-01228

PIN,DOWEL

SN: 10001-UP

4шт.

18

01011-31210

BOLT

SN: 10001-UP

24шт.

19

01643-31232

WASHER

SN: 10001-UP

24шт.

20

07030-01030

BREATHER

SN: 10001-UP

1шт.

21

07040-12414

PLUG

SN: 10001-UP

2шт.

22

07002-02434

O-RING

SN: 10001-UP

2шт.

23

385-10213731

BOLT,MOUNTING

SN: 10001-UP

16шт.

24

01643-32460

WASHER

SN: 10001-UP

16шт.

25

04025-00616

PIN,ROLL

SN: 10001-UP

6шт.

26

01011-31685

BOLT,MOUNTING

SN: 10001-UP

8шт.

27

01643-31645

WASHER

SN: 10001-UP

16шт.

28

01580-01613

NUT

SN: 10001-UP

8шт.

29

07042-00108

PLUG

SN: 10001-UP

1шт.

Выбрано товаров: 36