Запчасти Komatsu WA10-1 РАМА РАМА И ЧАСТИ КОРПУСА

Схема запчастей Komatsu WA10-1 - РАМА РАМА И ЧАСТИ КОРПУСА
FIT
1:1
100%

Артикул

Название

Примечание

Количество

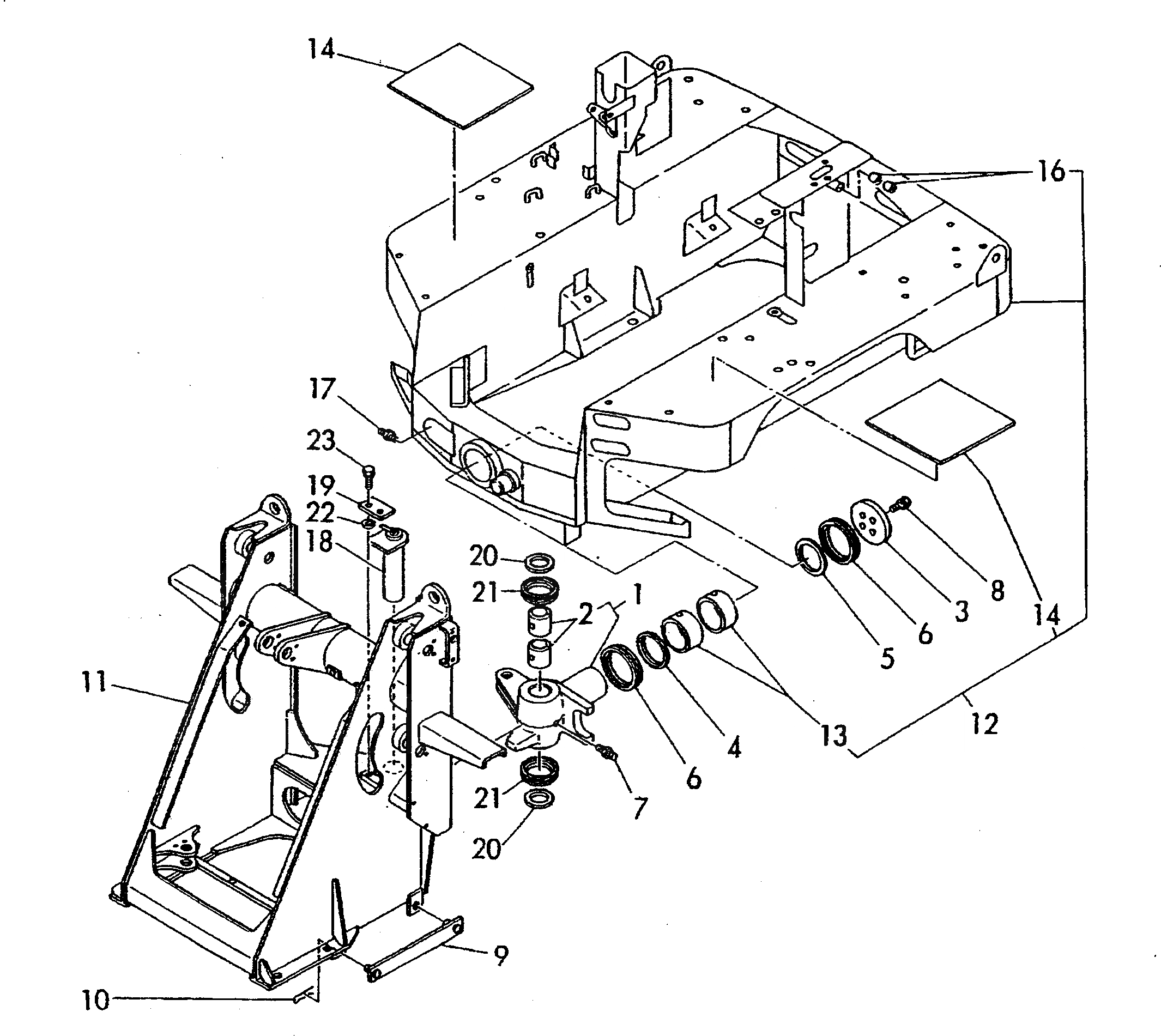
1

YM172519-33500

PIN ASS'Y,GRAY-25 (YM172519-33500-1)

SN: 10001-UP

1шт.

2

YM172519-33520

BUSHING

SN: 10001-UP

2шт.

3

YM172519-33530

STOPPER

SN: 10001-UP

1шт.

4

YM172519-33540

WASHER

SN: 10001-UP

1шт.

5

YM172519-33550

WASHER

SN: 10001-UP

1шт.

6

YM172519-33560

PACKING

SN: 10001-UP

2шт.

7

YM24761-020000

FITTING,GREASE

SN: 10001-UP

1шт.

8

YM26013-100202

BOLT

SN: 10001-UP

4шт.

9

YM172519-45600

PIN ASS'Y

SN: 10001-UP

1шт.

10

YM22360-200000

PIN,SNAP

SN: 10001-UP

2шт.

11

YM172519-55100

FRONT FRAME ASS'Y,GRAY-25 (YM172519-55100-1)

SN: 10001-UP

1шт.

12

YM172519-55501

REAR FRAME ASS'Y,GRAY-25 (YM172519-55501-1)

SN: 10001-UP

1шт.

13

YM172519-54450

BUSHING

SN: 10001-UP

2шт.

14

YM172519-54461

SHEET

SN: 10001-UP

2шт.

16

YM933171-23680

BUSHING

SN: 10001-UP

2шт.

17

YM24761-020000

FITTING

SN: 10001-UP

1шт.

18

YM172519-52800

PIN

SN: 10001-UP

1шт.

19

YM172519-52830

PLATE

SN: 10001-UP

1шт.

20

YM172519-52840

WASHER

SN: 10001-UP

2шт.

21

YM172519-52850

PACKING

SN: 10001-UP

2шт.

22

YM22137-080000

WASHER

SN: 10001-UP

2шт.

23

YM26013-080162

BOLT

SN: 10001-UP

2шт.

Выбрано товаров: 22