Запчасти Komatsu WA10-1 АККУМУЛЯТОР КОМПОНЕНТЫ ДВИГАТЕЛЯ И ЭЛЕКТРИКА

Схема запчастей Komatsu WA10-1 - АККУМУЛЯТОР КОМПОНЕНТЫ ДВИГАТЕЛЯ И ЭЛЕКТРИКА
FIT
1:1
100%

Артикул

Название

Примечание

Количество

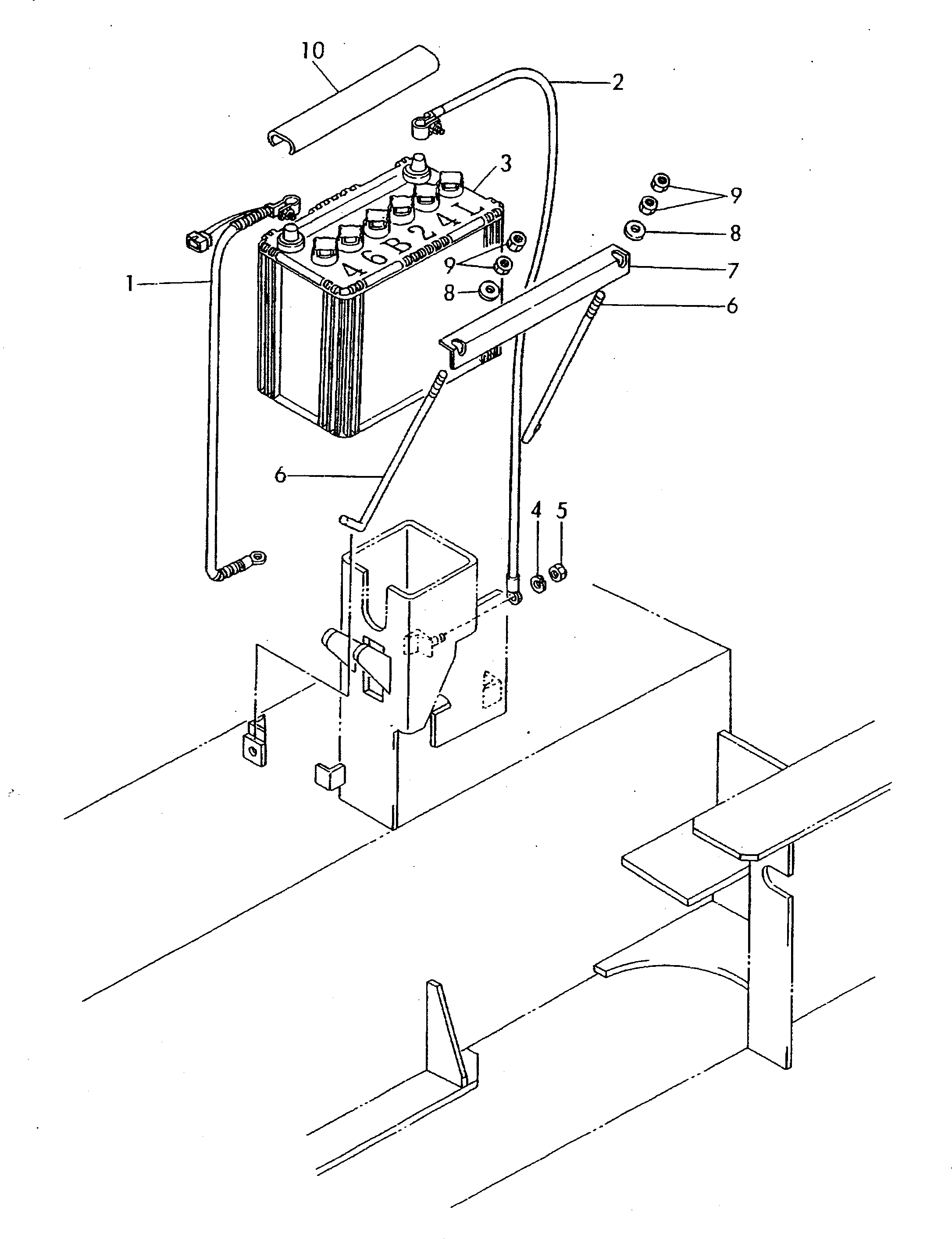
1

YM172519-16100

TERMINAL¤ (+)

SN: 10001-UP

1шт.

2

YM172137-16110

TERMINAL¤ (-)

SN: 10001-UP

1шт.

3

YM194630-51310

BATTERY

SN: 10001-UP

1шт.

4

YM22217-080000

WASHER,SPRING

SN: 10001-UP

1шт.

5

YM26716-080002

NUT

SN: 10001-UP

1шт.

6

YM194515-64760

ROD

SN: 10001-UP

2шт.

7

YM194201-61750

CLAMP

SN: 10001-UP

1шт.

8

YM22157-060000

WASHER

SN: 10001-UP

2шт.

9

YM26716-060002

NUT

SN: 10001-UP

4шт.

10

YM194440-51550

COVER

SN: 10001-UP

1шт.

Выбрано товаров: 0