Запчасти Komatsu WA10-1 ЭЛЕКТРИКА (ЛИНИЯ ПАНЕЛИ ПРИБОРОВ¤ПЕРЕДН. ЛИНИЯ¤ЗАДН. ЛИНИЯ¤ОСВЕЩЕНИЕ¤ТАХОМЕТР¤ПЕРЕКЛЮЧАТЕЛЬ ЗАПУСКА) КОМПОНЕНТЫ ДВИГАТЕЛЯ И ЭЛЕКТРИКА

Схема запчастей Komatsu WA10-1 - ЭЛЕКТРИКА (ЛИНИЯ ПАНЕЛИ ПРИБОРОВ¤ПЕРЕДН. ЛИНИЯ¤ЗАДН. ЛИНИЯ¤  ОСВЕЩЕНИЕ¤ТАХОМЕТР¤ПЕРЕКЛЮЧАТЕЛЬ ЗАПУСКА) КОМПОНЕНТЫ ДВИГАТЕЛЯ И ЭЛЕКТРИКА
FIT
1:1
100%

Артикул

Название

Примечание

Количество

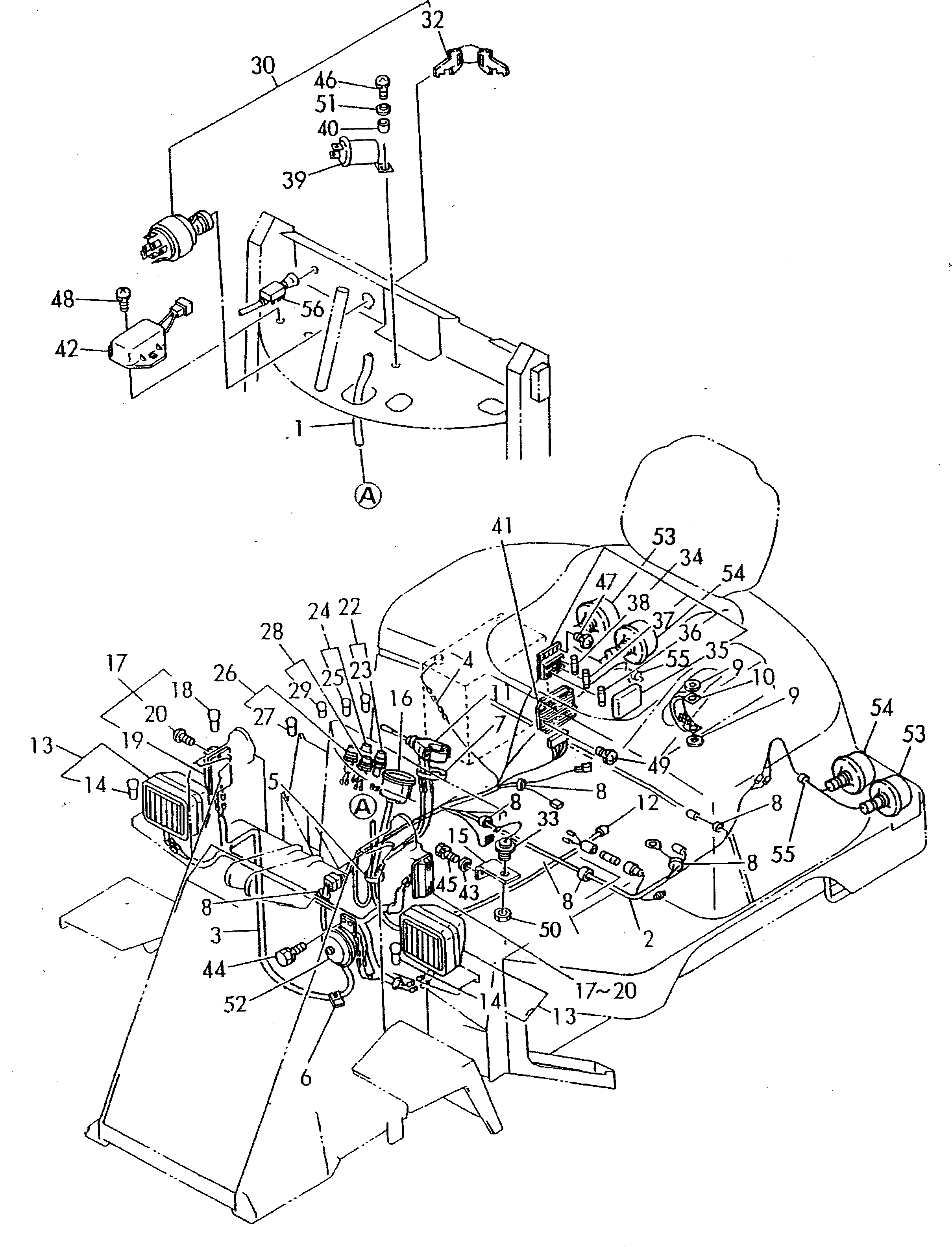
1

YM172519-16500

WIRING HARNESS,INSTRUMENT PANEL

SN: 10001-UP

1шт.

2

YM172519-16511

WIRING HARNESS,REAR

SN: 10001-UP

1шт.

3

YM172519-16520

WIRING HARNESS,FRONT

SN: 10001-UP

1шт.

4

YM172519-16530

WIRE

SN: 10001-UP

1шт.

5

YM172137-16560

BAND

SN: 10001-UP

2шт.

6

YM194440-51620

CLAMP

SN: 10001-UP

1шт.

7

YM172126-11510

BAND

SN: 10001-UP

2шт.

8

YM1A1380-56500

BAND

SN: 10001-UP

5шт.

9

YM22137-100000

WASHER

SN: 10001-UP

2шт.

10

YM933171-15801

WIRE

SN: 10001-UP

1шт.

11

YM172519-17400

SWITCH

SN: 10001-UP

1шт.

12

YM172519-17100

CABLE,METER

SN: 10001-UP

1шт.

13

YM172516-17110

HEAD LAMP ASS'Y

SN: 10001-UP

2шт.

14

YM172516-17120

BULB

SN: 10001-UP

4шт.

15

YM172519-17112

BRACKET,SAFETY SWITCH

SN: 10001-UP

1шт.

16

YM172519-17120

TACHOMETER

SN: 10001-UP

1шт.

17

YM172734-17170

LAMP ASS'Y,TURN SIGNAL

SN: 10001-UP

2шт.

18

YM172734-17190

BULB¤ 23W

SN: 10001-UP

2шт.

19

YM172734-17200

LENS

SN: 10001-UP

2шт.

20

YM172734-17210

SCREW

SN: 10001-UP

4шт.

22

YM172511-17220

LAMP,ENGINE OIL

SN: 10001-UP

1шт.

23

YM172734-17430

BULB¤ 3.4W

SN: 10001-UP

1шт.

24

YM172511-17240

LAMP,CHARGE

SN: 10001-UP

1шт.

25

YM172734-17430

BULB¤ 3.4W

SN: 10001-UP

1шт.

26

YM172511-17250

LAMP,PARKING

SN: 10001-UP

1шт.

27

YM172734-17430

BULB¤ 3.4W

SN: 10001-UP

1шт.

28

YM172511-17270

LAMP,WATER TEMP

SN: 10001-UP

1шт.

29

YM172734-17430

BULB¤ 3.4W

SN: 10001-UP

1шт.

30

YM172519-17410

STARTING SWITCH

SN: 10001-UP

1шт.

32

0

KEY ASS'Y

SN: 10001-UP

1шт.

33

YM194464-52190

SWITCH,SAFETY STARTER

SN: 10001-UP

1шт.

34

YM194327-52400

FUSE BOX

SN: 10001-UP

1шт.

35

YM194327-52420

COVER

SN: 10001-UP

1шт.

36

YM29411-050000

FUSE¤ 5A

SN: 10001-UP

1шт.

37

YM29411-100000

FUSE¤ 10A

SN: 10001-UP

2шт.

38

YM29411-150000

FUSE¤ 15A

SN: 10001-UP

2шт.

39

YM194080-57202

RELAY

SN: 10001-UP

1шт.

40

YM172519-17130

SPACER

SN: 10001-UP

1шт.

41

YM119660-77710

LIMITER

SN: 10001-UP

1шт.

42

YM129155-77810

REGISTOR

SN: 10001-UP

1шт.

43

YM22137-080000

WASHER

SN: 10001-UP

2шт.

44

YM26013-060122

BOLT

SN: 10001-UP

2шт.

45

YM26013-080162

BOLT

SN: 10001-UP

2шт.

46

YM26022-050202

SCREW

SN: 10001-UP

1шт.

47

YM26022-060202

SCREW

SN: 10001-UP

2шт.

48

YM26022-060202

SCREW

SN: 10001-UP

2шт.

49

YM26022-060252

SCREW

SN: 10001-UP

2шт.

50

YM26776-180002

NUT

SN: 10001-UP

1шт.

51

YM22137-050000

WASHER

SN: 10001-UP

1шт.

52

YM172516-17220

HORN,ELECTRIC

SN: 10001-UP

1шт.

53

YM172519-17150

LAMP,WINKER

SN: 10001-UP

2шт.

54

YM172519-17160

LAMP

SN: 10001-UP

2шт.

55

YM933160-09240

GROMMET

SN: 10001-UP

2шт.

56

YM194420-52120

SWITCH,LIGHTING

SN: 10001-UP

1шт.

Выбрано товаров: 54