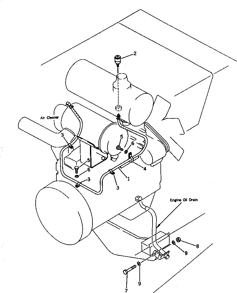
Запчасти Komatsu WA100-1 ENGING КОМПОНЕНТЫ (TBG/ABE СПЕЦ-Я.)(№-9999) СПЕЦ. APPLICATION ЧАСТИ

Схема запчастей Komatsu WA100-1 - ENGING КОМПОНЕНТЫ (TBG/ABE СПЕЦ-Я.)(№-9999) СПЕЦ. APPLICATION ЧАСТИ
FIT
1:1
100%

Артикул

Название

Примечание

Количество

1

416-01-12111

HOSE

SN: 10001-19999

1шт.

2

08670-20635

INDICATOR,DUST

SN: 10001-19999

1шт.

3

08036-01414

CLIP

SN: 10001-19999

3шт.

4

175-01-23160

CLIP

SN: 10001-19999

1шт.

5

01010-31020

BOLT

SN: 10001-19999

4шт.

6

01643-31032

WASHER

SN: 10001-19999

4шт.

7

01010-31475

BOLT

SN: 10001-19999

1шт.

8

01580-11411

NUT

SN: 10001-19999

1шт.

9

01643-31445

WASHER

SN: 10001-19999

2шт.

Выбрано товаров: 9