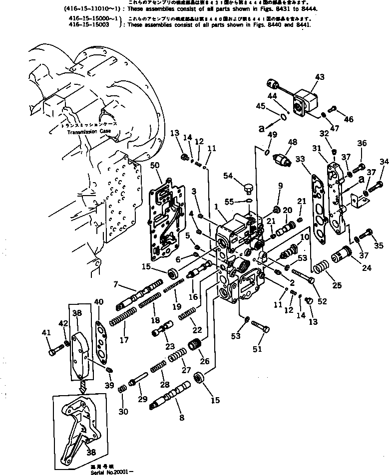
Запчасти Komatsu WA100-1 КЛАПАН УПРАВЛЕНИЯ ТРАНСМИССИЕЙ (/) (TBG/ABE СПЕЦ-Я.) СПЕЦ. APPLICATION ЧАСТИ

Схема запчастей Komatsu WA100-1 - КЛАПАН УПРАВЛЕНИЯ ТРАНСМИССИЕЙ (/) (TBG/ABE СПЕЦ-Я.) СПЕЦ. APPLICATION ЧАСТИ
FIT
1:1
100%

Артикул

Название

Примечание

Количество

|$0

416-15-11011

TRANSMISSION ASS'Y

SN: 20001-UP

1шт.

|$1

416-15-11010

TRANSMISSION ASS'Y

SN: 10001-19999

1шт.

|$2

416-15-15003

CONTROL VALVE ASS'Y

SN: 20001-UP

1шт.

|$3

416-15-15001

CONTROL VALVE ASS'Y

SN: 11332-19999

1шт.

|$4

0

CONTROL VALVE ASS'Y

SN: 10001-11331

1шт.

1

417-15-15111

BODY

SN: 10001-UP

1шт.

2

07042-30108

PLUG

SN: 10001-UP

1шт.

3

419-15-15420

ORIFICE

SN: 10001-UP

1шт.

4

417-15-15842

ORIFICE

SN: 10001-UP

1шт.

5

419-15-15420

ORIFICE

SN: 10001-UP

1шт.

6

415-15-15470

PLUG

SN: 10001-UP

1шт.

7

417-15-15550

SPOOL,FORWARD AND REVERSE

SN: 10001-UP

1шт.

8

417-15-15482

SPOOL,RANGE

SN: 20001-UP

1шт.

8

417-15-15481

SPOOL,RANGE

SN: 10001-19999

1шт.

9

417-15-15430

PLUG

SN: 10001-UP

1шт.

10

417-15-15490

PLUG

SN: 10001-UP

1шт.

11

04260-00635

BALL

SN: 10001-UP

4шт.

12

417-15-15720

SPRING

SN: 10001-UP

4шт.

13

417-15-15410

PLUG

SN: 10001-UP

4шт.

14

07002-01023

O-RING

SN: 10001-UP

4шт.

15

417-15-15621

SEAL

SN: 10001-UP

2шт.

16

415-15-15231

VALVE,NEUTRAL

SN: 10001-UP

1шт.

17

417-15-15310

SPRING

SN: 10001-UP

1шт.

18

417-15-15320

SPRING

SN: 10001-UP

1шт.

19

417-15-15330

SPRING

SN: 10001-UP

1шт.

20

417-15-15261

VALVE

SN: 10001-UP

1шт.

21

419-15-15420

ORIFICE

SN: 10001-UP

2шт.

22

417-15-15370

SPRING

SN: 10001-UP

1шт.

23

415-15-15540

VALVE,REGULATOR

SN: .-UP

1шт.

23

0

VALVE,REGULATOR

SN: 10001-.

1шт.

24

417-15-15241

VALVE,FILLER

SN: 10001-UP

1шт.

25

415-15-15750

SPRING

SN: 10001-UP

1шт.

26

417-15-15251

VALVE,ACCUMULATE

SN: 10001-UP

1шт.

27

417-15-15860

SPRING

SN: 10001-UP

1шт.

28

417-15-15880

SPRING

SN: 10001-UP

1шт.

29

417-15-15890

STOPPER

SN: 10001-UP

1шт.

30

417-15-15870

SPRING

SN: 10001-UP

1шт.

31

415-15-15132

COVER

SN: .-UP

1шт.

31

0

COVER

SN: 10001-.

1шт.

32

07043-00108

PLUG

SN: 10001-UP

1шт.

33

415-15-15162

GASKET

SN: .-UP

1шт.

33

0

GASKET

SN: 10001-.

1шт.

34

01010-31040

BOLT,(FOR SHIPPING)

SN: 10001-UP

1шт.

35

01010-31035

BOLT

SN: 10001-UP

2шт.

36

01010-31040

BOLT

SN: 10001-UP

3шт.

37

01602-01030

WASHER,SPRING

SN: 10001-UP

6шт.

38

415-15-15521

COVER

SN: 20001-UP

1шт.

38

415-15-15122

COVER

SN: 10001-19999

1шт.

39

07042-30108

PLUG

SN: 10001-UP

1шт.

40

415-15-15180

GASKET

SN: 10001-UP

1шт.

41

01010-31045

BOLT

SN: 10001-UP

4шт.

42

01602-01030

WASHER,SPRING

SN: 10001-UP

4шт.

43

417-15-15510

VALVE ASS'Y

SN: 10001-UP

1шт.

44

421-06-16510

O-RING

SN: 10001-UP

1шт.

45

421-06-16520

O-RING

SN: 10001-UP

1шт.

46

01220-40416

SCREW

SN: 10001-UP

4шт.

47

01601-20410

WASHER,SPRING

SN: 10001-UP

4шт.

48

417-15-15610

SWITCH,NEUTRAL

SN: 10001-UP

1шт.

49

07002-02034

O-RING

SN: 10001-UP

1шт.

50

415-15-15151

GASKET

SN: 10001-UP

1шт.

51

01010-31075

BOLT

SN: 10001-UP

6шт.

52

01010-31085

BOLT

SN: 10001-UP

1шт.

53

01602-01030

WASHER,SPRING

SN: 10001-UP

7шт.

54

417-15-15630

PLUG

SN: 10001-UP

1шт.

55

07002-02034

O-RING

SN: 10001-UP

1шт.

Выбрано товаров: 65