Запчасти Komatsu WA100-1 ЭКСТРЕНН. РУЛЕВ. УПРАВЛЕНИЕ (/) (ABE СПЕЦ-Я.)(№-9999) СПЕЦ. APPLICATION ЧАСТИ

Схема запчастей Komatsu WA100-1 - ЭКСТРЕНН. РУЛЕВ. УПРАВЛЕНИЕ (/) (ABE СПЕЦ-Я.)(№-9999) СПЕЦ. APPLICATION ЧАСТИ
FIT
1:1
100%

Артикул

Название

Примечание

Количество

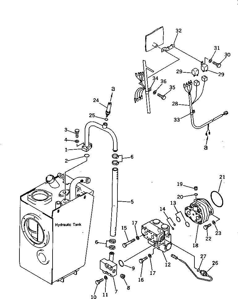
1

417-875-1262

TUBE

SN: 10001-19999

1шт.

2

07000-03030

O-RING

SN: .-19999

1шт.

2

07000-03028

O-RING

SN: 10001-.

1шт.

3

01010-30835

BOLT

SN: 10001-19999

4шт.

4

01643-50823

WASHER

SN: 10001-19999

4шт.

5

07260-02645

HOSE

SN: .-19999

1шт.

5

0

HOSE

SN: 10001-.

1шт.

6

07281-00489

CLAMP

SN: 10001-@

4шт.

7

417-875-1271

TUBE

SN: 10001-@

1шт.

8

07042-00617

PLUG

SN: 10001-@

1шт.

9

07000-03042

O-RING

SN: 10001-@

1шт.

10

01010-31055

BOLT

SN: 10001-19999

4шт.

11

01643-31032

WASHER

SN: 10001-19999

4шт.

12

421-875-1101

DIVIDER VALVE ASS'Y

SN: 10001-@

1шт.

13

07000-13040

O-RING

SN: 10001-@

2шт.

14

07000-02012

O-RING

SN: 10001-@

2шт.

15

01010-31085

BOLT

SN: 10001-19999

2шт.

16

01011-31045

BOLT

SN: 10001-19999

2шт.

17

01643-31032

WASHER

SN: 10001-@

4шт.

18

704-31-24110

PUMP ASS'Y

SN: 10001-@

1шт.

19

07040-12012

PLUG

SN: 10001-@

1шт.

20

07002-02034

O-RING

SN: 10001-@

1шт.

21

07000-02105

O-RING

SN: 10001-@

1шт.

22

01010-31235

BOLT

SN: 10001-19999

2шт.

23

01643-31232

WASHER

SN: 10001-@

2шт.

24

421-06-11990

SWITCH,FLOW

SN: 10001-19999

1шт.

25

20D-62-17150

O-RING

SN: 10001-19999

1шт.

26

421-06-11981

SWITCH

SN: .-@

1шт.

26

0

SWITCH

SN: 10001-.

1шт.

27

07002-02034

O-RING

SN: 10001-@

1шт.

28

417-06-12470

WIRE ASS'Y

SN: 10001-19999

1шт.

29

287-06-16410

RELAY

SN: 10001-@

2шт.

29

287-06-16420

BRACKET

SN: 10001-@

1шт.

30

01010-30612

BOLT

SN: 10001-@

2шт.

31

01643-30623

WASHER

SN: 10001-@

2шт.

32

417-06-12540

PLATE

SN: 10001-19999

1шт.

33

08036-01414

CLIP

SN: 10001-19999

4шт.

34

423-06-12640

CLIP

SN: 10001-19999

1шт.

35

01010-31020

BOLT

SN: 10001-19999

4шт.

36

01643-31032

WASHER

SN: 10001-@

4шт.

Выбрано товаров: 40