Запчасти Komatsu WA100-1 МАРКИРОВКА (ИСПАНИЯ-АНГЛ.)(№-9999) МАРКИРОВКА¤ ИНСТРУМЕНТ И РЕМКОМПЛЕКТЫ

Схема запчастей Komatsu WA100-1 - МАРКИРОВКА (ИСПАНИЯ-АНГЛ.)(№-9999) МАРКИРОВКА¤ ИНСТРУМЕНТ И РЕМКОМПЛЕКТЫ
FIT
1:1
100%

Артикул

Название

Примечание

Количество

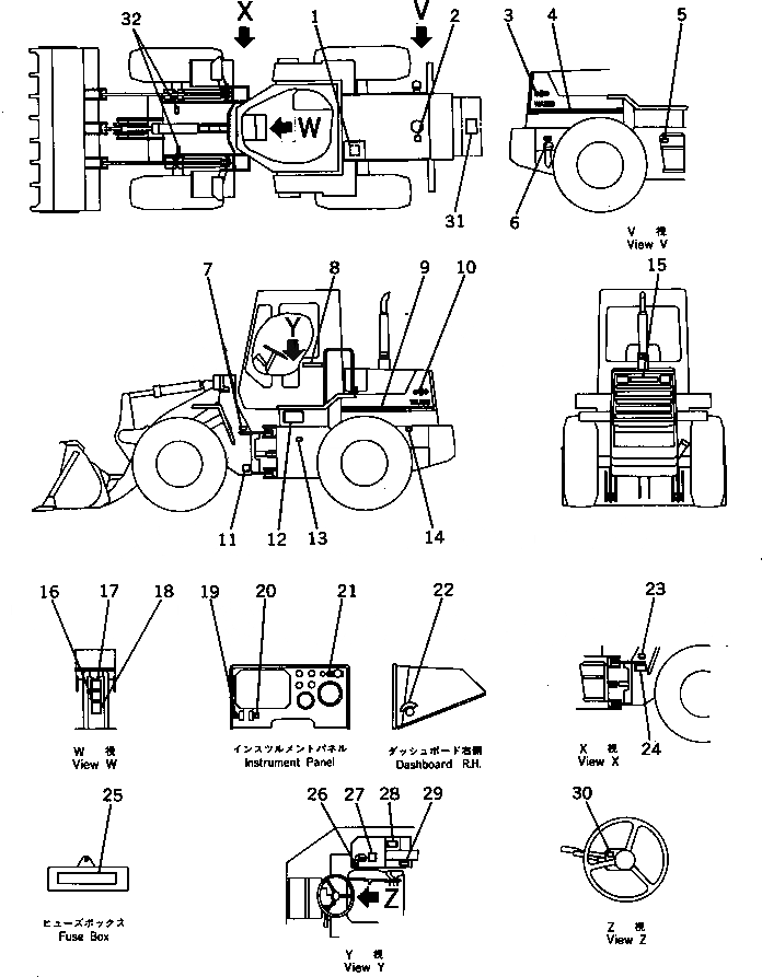
1

09637-70161

PLATE, INSTRUCTION

SN: 10001-19999

1шт.

2

09668-01000

PLATE, SAFETY,RADIATOR CAP

SN: 10001-19999

1шт.

3

416-93-11420

PLATE, MARK

SN: 10001-19999

1шт.

4

416-93-11430

STRIPE

SN: 10001-19999

1шт.

5

09653-01000

PLATE, SAFETY,HYDRAULIC

SN: 10001-19999

1шт.

6

09101-01000

PLATE, CAUTION,FUEL

SN: 10001-19999

1шт.

7

417-V00-1230

PLATE, CAUTION,KEEP OUT

SN: 10001-19999

1шт.

8

09690-50280

PLATE, MARK,KOMATSU

SN: 10001-19999

2шт.

9

416-93-11430

STRIPE

SN: 10001-19999

1шт.

10

416-93-11410

PLATE, MARK

SN: 10001-19999

1шт.

11

419-V00-1130

PLATE, CAUTION,FRAME LOCK

SN: 10001-19999

2шт.

12

417-V00-1180

CHART, OIL

SN: 10001-19999

1шт.

13

419-V00-1160

PLATE, CAUTION,OIL INSPECTION

SN: 10001-19999

1шт.

14

419-V00-1140

PLATE, CAUTION,FAN

SN: 10001-19999

1шт.

15

09690-50400

PLATE, MARK,KOMATSU

SN: 10001-19999

1шт.

16

419-V00-1210

PLATE, CAUTION,TRANSMISSION OIL TEMPERATURE

SN: 10001-19999

1шт.

17

419-V00-1150

PLATE, SAFETY

SN: 10001-19999

1шт.

18

419-V00-1120

PLATE, CAUTION,STARTING AND INSPECTION

SN: 10001-19999

1шт.

19

417-V00-1130

PLATE, OPERATING,PARKING LAMP SWITCH

SN: 10001-19999

1шт.

20

417-V00-1120

PLATE, OPERATING,WORKING LAMP SWITCH

SN: 10001-19999

1шт.

21

417-V00-1140

PLATE, OPERATING,LIGHT SWITCH

SN: 10001-19999

1шт.

22

09683-11050

PLATE, OPERATING,STARTER SWITCH

SN: 10001-19999

1шт.

23

417-V00-1230

PLATE, CAUTION,KEEP OUT

SN: 10001-19999

1шт.

24

09602-11635

PLATE, NAME,(LIMITED SUPPLY)

SN: 10001-19999

1шт.

24

04418-13060

SCREW

SN: 10001-19999

4шт.

25

417-V00-1160

PLATE,FUSE BOX

SN: 10001-19999

1шт.

26

09685-00004

PLATE, OPERATING,LOCK LEVER

SN: 10001-19999

1шт.

27

417-93-11121

PLATE, OPERATING,LOADER CONTROL

SN: 10001-19999

1шт.

28

419-V00-1170

PLATE, CAUTION,BRAKE OIL

SN: 10001-19999

1шт.

29

417-V00-1170

PLATE,FUSE BOX

SN: 10001-19999

1шт.

30

417-V00-1150

PLATE, OPERATING,TRANSMISSION CONTROL

SN: 10001-19999

1шт.

31

417-V00-1210

PLATE, CAUTION,BATTERY

SN: 10001-19999

1шт.

32

419-V00-1250

PLATE, OPERATING,LIFTING EYE

SN: 10001-19999

4шт.

Выбрано товаров: 33