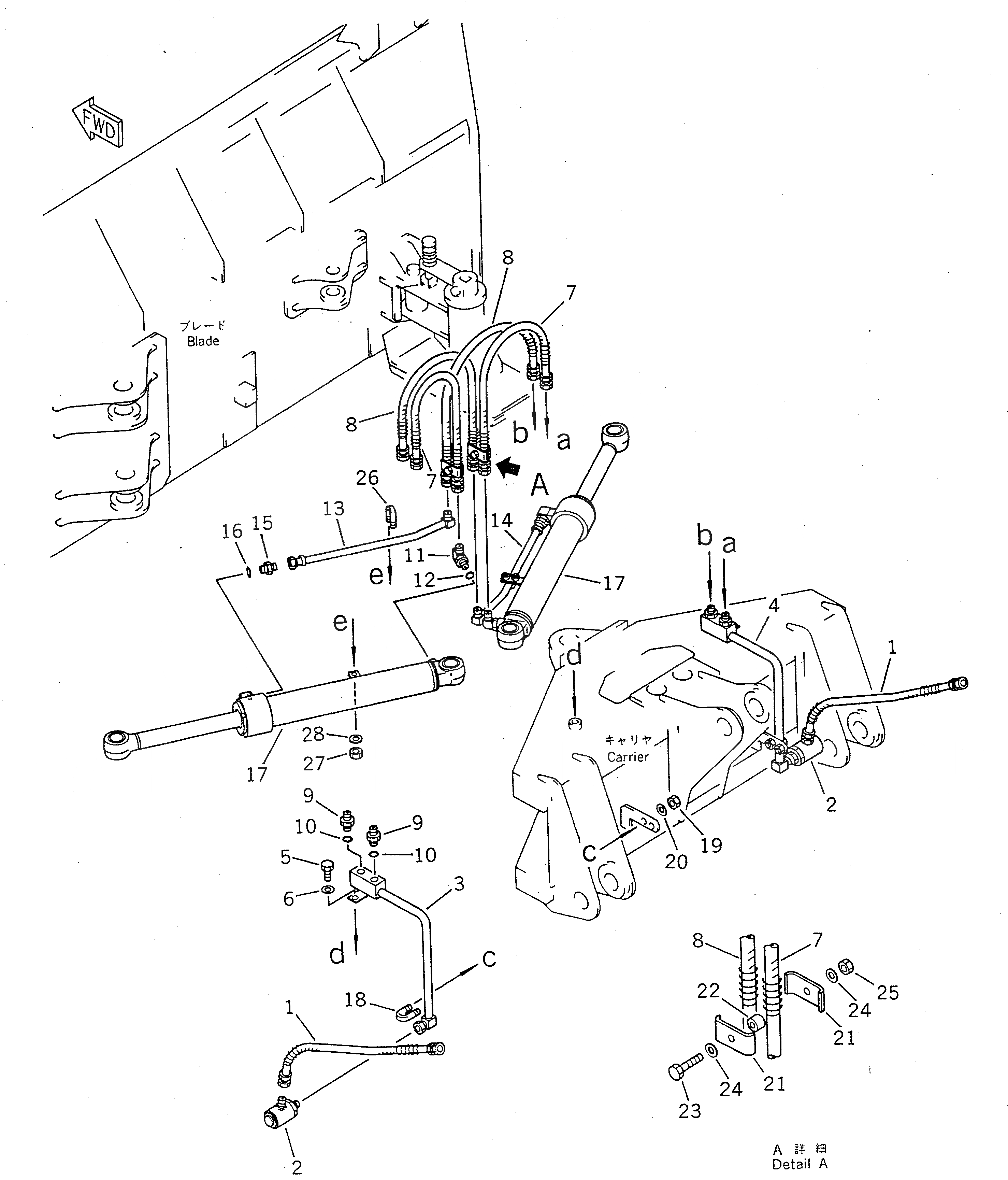
Запчасти Komatsu WA100-1 PITCH И ANGLE SNOW PНИЗ. (ЦИЛИНДР НАКЛОНА ЛИНИЯ)(№-(7)) СПЕЦ. APPLICATION ЧАСТИ

Схема запчастей Komatsu WA100-1 - PITCH И ANGLE SNOW PНИЗ. (ЦИЛИНДР НАКЛОНА ЛИНИЯ)(№-(7)) СПЕЦ. APPLICATION ЧАСТИ
FIT
1:1
100%

Артикул

Название

Примечание

Количество

1

07123-20408

HOSE

SN: 10001-@

2шт.

2

07129-00400

JOINT,SWIVEL

SN: 10001-@

2шт.

3

416-904-1310

TUBE

SN: 10001-@

1шт.

4

416-904-1320

TUBE

SN: 10001-@

1шт.

5

01010-31020

BOLT

SN: 10001-@

2шт.

6

01643-31032

WASHER

SN: 10001-@

2шт.

7

07123-20307

HOSE

SN: 10001-@

2шт.

8

07123-20308

HOSE

SN: 10001-(037)

2шт.

9

07230-10315

UNION

SN: 10001-(037)

4шт.

10

07002-12034

O-RING

SN: 10001-@

4шт.

11

07235-10315

ELBOW

SN: 10001-@

2шт.

12

07002-12034

O-RING

SN: 10001-@

2шт.

13

416-904-1330

TUBE

SN: 10001-(037)

1шт.

14

416-904-1340

TUBE

SN: 10001-(037)

1шт.

15

07230-10315

UNION

SN: 10001-(037)

2шт.

16

07002-12034

O-RING

SN: 10001-@

2шт.

17

707-00-70240

CYLINDER ASS'Y,ANGLE

SN: 10001-(037)

2шт.

18

07283-22236

CLIP

SN: 10001-@

2шт.

19

01599-01011

NUT

SN: 10001-@

4шт.

20

01643-31032

WASHER

SN: 10001-@

4шт.

21

22W-62-19391

CLAMP

SN: 10001-(037)

4шт.

22

416-904-1370

SPACER

SN: 10001-(037)

2шт.

23

01010-30845

BOLT

SN: 10001-(037)

2шт.

24

01643-30823

WASHER

SN: 10001-(037)

4шт.

25

01598-00809

NUT

SN: 10001-(037)

2шт.

26

07283-21529

CLIP

SN: 10001-(037)

2шт.

27

01598-00809

NUT

SN: 10001-(037)

4шт.

28

01643-30823

WASHER

SN: 10001-(037)

4шт.

Выбрано товаров: 0