Запчасти Komatsu WA100-1 MULTI ОТВАЛ (С ГИДРАВЛ СОЕДИНИТ. УСТР-ВО)(№-) СПЕЦ. APPLICATION ЧАСТИ

Схема запчастей Komatsu WA100-1 - MULTI ОТВАЛ (С ГИДРАВЛ СОЕДИНИТ. УСТР-ВО)(№-) СПЕЦ. APPLICATION ЧАСТИ
FIT
1:1
100%

Артикул

Название

Примечание

Количество

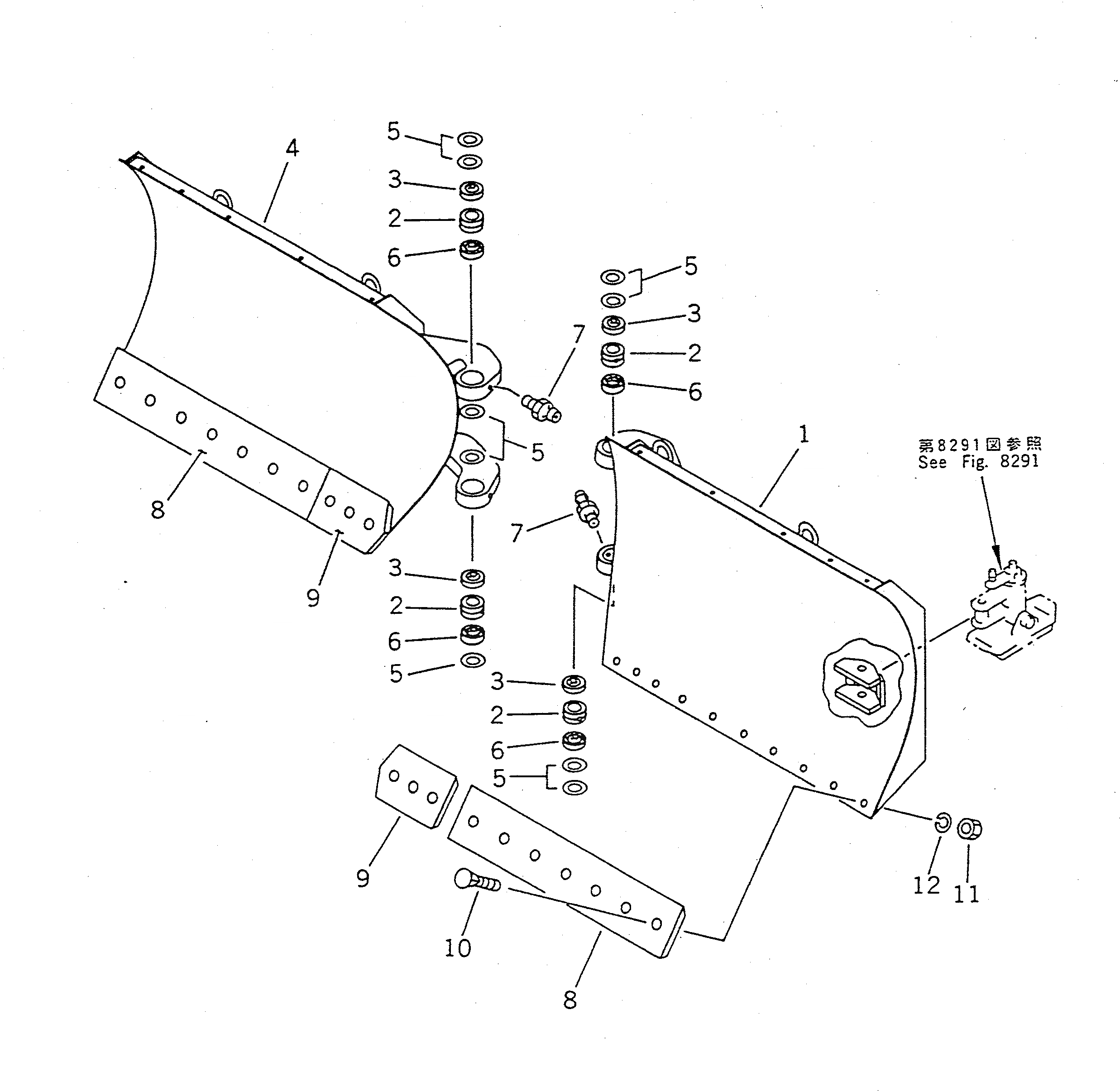
1

416-S72-1110

BLADE,L.H.

SN: 30001-UP

1шт.

2

07144-10603

BUSHING

SN: 30001-UP

4шт.

3

416-09-11110

SEAL,DUST

SN: 30001-UP

4шт.

4

416-S72-1120

BLADE,R.H.

SN: 30001-UP

1шт.

5

425-46-12310

SHIM¤ 1.0MM

SN: 30001-UP

3шт.

|5

417-70-11310

SHIM¤ 1.5MM

SN: 30001-UP

8шт.

6

07145-00060

SEAL,DUST

SN: 30001-UP

4шт.

7

07020-00001

FITTING,GREASE

SN: 30001-UP

4шт.

8

416-S72-1160

EDGE,SIDE

SN: 30001-UP

2шт.

9

416-S72-1170

EDGE,CENTER

SN: 30001-UP

2шт.

10

02090-11260

BOLT

SN: 30001-UP

18шт.

11

154-70-22270

NUT

SN: 30001-UP

18шт.

12

01602-01957

WASHER,SPRING

SN: 30001-UP

18шт.

Выбрано товаров: 0