Запчасти Komatsu WA100-3-H ТРАНСМИССИЯ (АКСЕССУАРЫ)(№-()) ГИДРОТРАНСФОРМАТОР И ТРАНСМИССИЯ

Схема запчастей Komatsu WA100-3-H - ТРАНСМИССИЯ (АКСЕССУАРЫ)(№-()) ГИДРОТРАНСФОРМАТОР И ТРАНСМИССИЯ
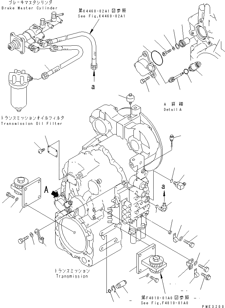
1
2
3
4
5
6
7
8
9
10
11
12
13
14
15
16
17
18
19
20
20
21
21
22
22
23
24
25
26
26
27
28
29
30
31
32
33
34
35
36
FIT
1:1
100%

Артикул

Название

Примечание

Количество

|$$1

SERIAL NO. IN ( ) INDICATES TRANSMISSION SERIAL NO.

-1шт.

|1

714-15-10000

TRANSMISSION ASS'Y

SN: 63001-(53411)

1шт.

|$$3

THIS ASSEMBLY CONSISTS OF ALL PARTS SHOWN IN FIGS.F4350-51A1 TO F4350-67A1.

-1шт.

1

07030-00252

BREATHER

SN: 63001-@

1шт.

2

419-15-18241

PLUG

SN: 63001-@

1шт.

3

07002-02434

O-RING (K1)

SN: 63001-@

1шт.

4

419-15-18251

RING,SNAP

SN: 63001-@

1шт.

5

09608-05080

PLATE¤ NAME,(LIMITED SUPPLY)

SN: 63001-@

1шт.

6

04418-13060

SCREW

SN: 63001-@

4шт.

7

714-11-11350

RETAINER

SN: 63001-@

1шт.

8

07000-02085

O-RING (K1)

SN: 63001-@

1шт.

9

01010-31230

BOLT

SN: 63001-@

3шт.

10

714-11-14690

WORM

SN: 63001-@

1шт.

11

04065-01910

RING,SNAP

SN: 63001-@

1шт.

12

714-11-14670

GEAR

SN: 63001-@

1шт.

13

714-07-18660

SLEEVE

SN: 63001-@

1шт.

14

07002-02434

O-RING (K1)

SN: 63001-@

1шт.

15

01252-30816

BOLT

SN: 63001-@

1шт.

16

01643-30823

WASHER

SN: 63001-@

1шт.

17

714-11-18990

PLATE

SN: 63001-@

1шт.

18

01010-31245

BOLT

SN: 63001-@

1шт.

19

01643-31232

WASHER

SN: 63001-@

1шт.

20

416-14-21111

BRACKET

SN: 63001-(53411)

2шт.

21

01010-31650

BOLT

SN: 63001-(53411)

8шт.

22

01643-31645

WASHER

SN: 63001-(53411)

8шт.

23

07235-10628

ELBOW

SN: 63001-(53411)

1шт.

24

07002-02434

O-RING (K1)

SN: 63001-(53411)

1шт.

25

07102-20615

HOSE,SUPPLY

SN: 63001-(53411)

1шт.

26

04434-52711

CLIP

SN: 63001-(53411)

2шт.

27

01435-01016

BOLT

SN: 63001-(53411)

1шт.

28

424-54-14380

COLLAR

SN: 63001-(53411)

1шт.

29

01010-81095

BOLT

SN: 63001-(53411)

1шт.

30

01643-31032

WASHER

SN: 63001-(53411)

1шт.

31

232-06-52410

SENSOR,TORQUE CONVERTER OIL TEMP.

SN: 63001-(53411)

1шт.

32

419-15-14641

ELBOW

SN: 63001-(53411)

1шт.

33

07002-03334

O-RING (K1)

SN: 63001-(53411)

1шт.

34

714-11-18980

PLATE

SN: 63001-(53411)

1шт.

35

01010-31220

BOLT

SN: 63001-(53411)

1шт.

36

01643-31232

WASHER

SN: 63001-(53411)

1шт.

Выбрано товаров: 39