Запчасти Komatsu WA100-3-H ТРАНСМИССИЯ (АКСЕССУАРЫ)(№()-) ГИДРОТРАНСФОРМАТОР И ТРАНСМИССИЯ

Схема запчастей Komatsu WA100-3-H - ТРАНСМИССИЯ (АКСЕССУАРЫ)(№()-) ГИДРОТРАНСФОРМАТОР И ТРАНСМИССИЯ
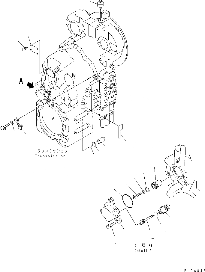
1
2
3
4
5
6
7
8
9
10
11
12
13
14
15
16
17
18
19
20
FIT
1:1
100%

Артикул

Название

Примечание

Количество

|$$1

SERIAL NO. IN ( ) INDICATES TRANSMISSION SERIAL NO.

-1шт.

|1

714-15-10004

TRANSMISSION ASS'Y

SN: (54021)-UP

1шт.

|1

714-15-10003

TRANSMISSION ASS'Y

SN: (53782)-(54020)

1шт.

|1

714-15-10002

TRANSMISSION ASS'Y

SN: (53682)-(53781)

1шт.

|1

714-15-10001

TRANSMISSION ASS'Y

SN: (53412)-(53681)

1шт.

|$$6

THESE ASSEMBLIES CONSISTS OF ALL PARTS SHOWN IN FIGS.F4350-51A1 TO F4350-67A1.

-1шт.

1

07030-00252

BREATHER

SN: 63001-UP

1шт.

2

419-15-18241

PLUG

SN: 63001-UP

1шт.

3

07002-02434

O-RING (K1)

SN: 63001-UP

1шт.

4

419-15-18251

RING,SNAP

SN: 63001-UP

1шт.

5

09608-05080

PLATE¤ NAME,(LIMITED SUPPLY)

SN: 63001-UP

1шт.

6

04418-13060

SCREW

SN: 63001-UP

4шт.

7

714-11-11350

RETAINER

SN: 63001-UP

1шт.

8

07000-02085

O-RING (K1)

SN: 63001-UP

1шт.

9

01010-31230

BOLT

SN: 63001-UP

3шт.

10

714-11-14690

WORM

SN: 63001-UP

1шт.

11

04065-01910

RING,SNAP

SN: 63001-UP

1шт.

12

714-11-14670

GEAR

SN: 63001-UP

1шт.

13

714-07-18660

SLEEVE

SN: 63001-UP

1шт.

14

07002-02434

O-RING (K1)

SN: 63001-UP

1шт.

15

01252-30816

BOLT

SN: 63001-UP

1шт.

16

01643-30823

WASHER

SN: 63001-UP

1шт.

17

714-11-18990

PLATE

SN: 63001-UP

1шт.

18

01010-31245

BOLT

SN: 63001-UP

1шт.

19

01643-31232

WASHER

SN: 63001-UP

1шт.

20

714-11-16880

PLATE

SN: (53913)-UP

1шт.

Выбрано товаров: 26