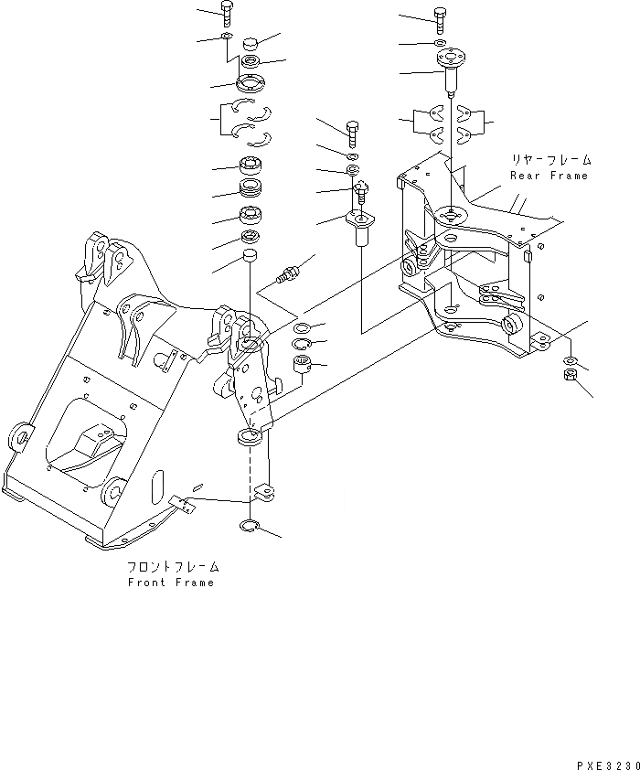
Запчасти Komatsu WA100-3-HW HINGE ПАЛЕЦ ОСНОВНАЯ РАМА И ЕЕ ЧАСТИ

Схема запчастей Komatsu WA100-3-HW - HINGE ПАЛЕЦ ОСНОВНАЯ РАМА И ЕЕ ЧАСТИ
1
2
3
3
4
5
6
6
7
8
9
9
10
11
11
12
13
14
14
15
16
17
18
19
20
21
22
23
FIT
1:1
100%

Артикул

Название

Примечание

Количество

1

417-46-11220

RETAINER

SN: 63001-UP

1шт.

2

417-46-11330

SHIM¤ 0.5MM

SN: 63001-UP

6шт.

|2

417-46-11340

SHIM¤ 0.1MM

SN: 63001-UP

6шт.

3

417-46-11230

SEAL

SN: 63001-UP

2шт.

4

01010-81030

BOLT

SN: 63001-UP

4шт.

5

01643-31032

WASHER

SN: 63001-UP

4шт.

6

417-46-11120

BEARING

SN: 63001-UP

2шт.

7

417-46-11210

SPACER

SN: 63001-UP

1шт.

8

417-46-11250

BEARING

SN: 63001-UP

1шт.

9

417-46-11260

RING,SNAP

SN: 63001-UP

2шт.

10

417-46-11151

PIN

SN: 63001-UP

1шт.

11

417-46-11180

SPACER

SN: 63001-UP

2шт.

12

417-46-11160

WASHER

SN: 63001-UP

1шт.

13

01597-02419

NUT

SN: 63001-UP

1шт.

14

417-46-11190

SHIM¤ 0.4MM

SN: 63001-UP

10шт.

15

01010-81230

BOLT

SN: 63001-UP

4шт.

16

01643-31232

WASHER

SN: 63001-UP

4шт.

17

07020-00000

FITTING,GREASE

SN: 63001-UP

1шт.

18

417-46-11240

PIN

SN: 63001-UP

1шт.

19

417-46-11270

WASHER

SN: 63001-UP

1шт.

20

424-46-11130

BUSHING

SN: 63001-UP

1шт.

21

01010-81230

BOLT

SN: 63001-UP

1шт.

22

01643-31232

WASHER

SN: 63001-UP

1шт.

23

07020-00900

FITTING,GREASE

SN: 63001-UP

1шт.

Выбрано товаров: 24