Запчасти Komatsu WA100-3-HW УПРАВЛ-Е ТОРМОЗОМ (РЕЗЕРВН. БАК ЛИНИЯ) (С КАБИНОЙ ДЛЯ 2 ЧЕЛ.) КАБИНА ОПЕРАТОРА И СИСТЕМА УПРАВЛЕНИЯ

Схема запчастей Komatsu WA100-3-HW - УПРАВЛ-Е ТОРМОЗОМ (РЕЗЕРВН. БАК ЛИНИЯ) (С КАБИНОЙ ДЛЯ 2 ЧЕЛ.) КАБИНА ОПЕРАТОРА И СИСТЕМА УПРАВЛЕНИЯ
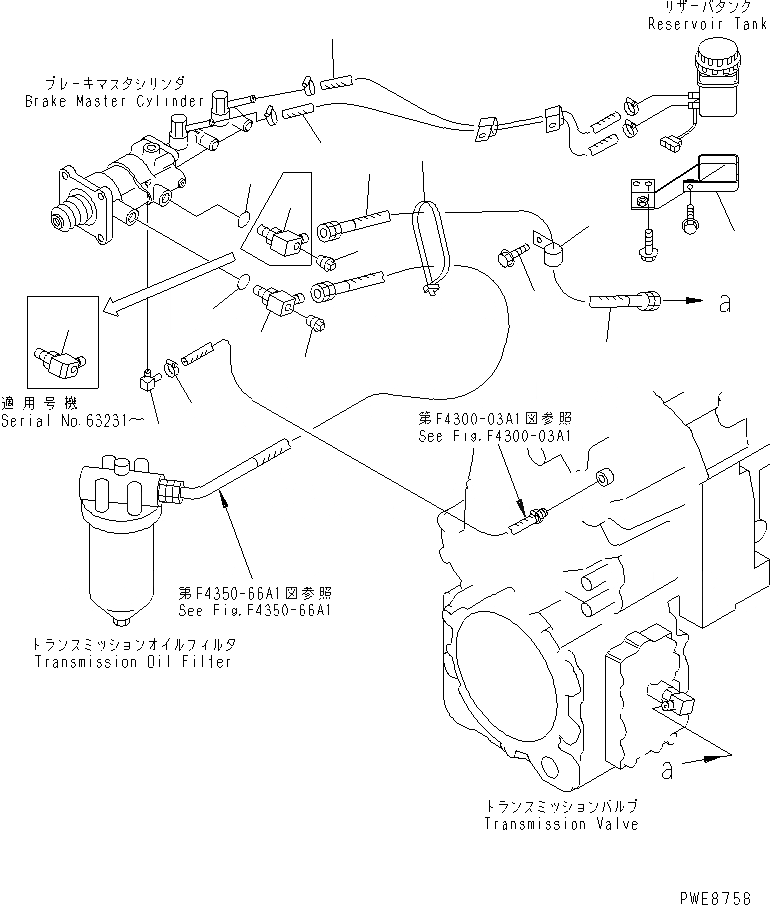
1
1
1A
2
2
3
3
4
4
5
6
7
8
9
10
10
11
FIT
1:1
100%

Артикул

Название

Примечание

Количество

1

07235-50628

ELBOW

SN: 63231-UP

1шт.

|1

07235-50628

ELBOW

SN: 63001-63230

2шт.

1A

209-62-14550

ELBOW

SN: 63231-UP

1шт.

2

07002-12434

O-RING

SN: 63001-UP

2шт.

3

07042-20108

PLUG

SN: 63001-UP

1шт.

4

07102-21007

HOSE

SN: 63231-UP

1шт.

|4

0

HOSE

SN: 63001-63230

1шт.

|$$8

(07102-21007{209-62-14550)}

-1шт.

5

08034-20519

BAND

SN: 63001-UP

1шт.

6

281-01-13180

CLIP

SN: 63231-UP

1шт.

|6

08036-23014

CLIP

SN: 63001-63230

1шт.

7

01435-01020

BOLT

SN: 63001-UP

1шт.

8

07281-00197

CLAMP

SN: 63001-UP

1шт.

9

417-43-17640

ELBOW

SN: 63001-UP

1шт.

10

07260-20971

HOSE

SN: 63001-UP

2шт.

11

416-944-2290

BRACKET

SN: 63001-UP

1шт.

Выбрано товаров: 16