Запчасти Komatsu WA100-3-HW ОТВАЛ (НЕСУЩИЙ ЭЛЕМЕНТ) (P.A.P.) РАБОЧЕЕ ОБОРУДОВАНИЕ

Схема запчастей Komatsu WA100-3-HW - ОТВАЛ (НЕСУЩИЙ ЭЛЕМЕНТ) (P.A.P.) РАБОЧЕЕ ОБОРУДОВАНИЕ
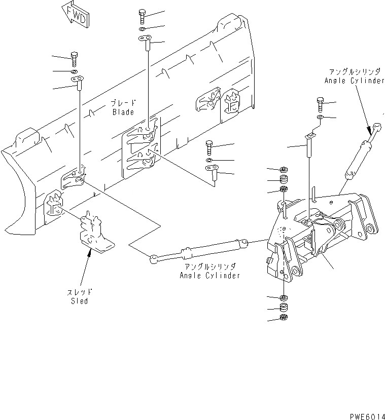
1
2
2
3
3
3
3
4
4
5
5
6
6
7
8
9
10
11
12
FIT
1:1
100%

Артикул

Название

Примечание

Количество

1

416-904-1153

CARRIER

SN: 64472-UP

1шт.

|1

416-904-1152

CARRIER

SN: 63001-64471

1шт.

2

07144-10503

BUSHING

SN: 63001-UP

2шт.

3

07145-00050

SEAL,DUST

SN: 63001-UP

4шт.

4

419-824-1330

PIN

SN: 63001-UP

2шт.

5

01010-81220

BOLT

SN: 63001-UP

2шт.

6

175-54-34170

WASHER

SN: 63001-UP

2шт.

7

416-904-1210

PIN

SN: 63001-UP

2шт.

8

01010-81220

BOLT

SN: 63001-UP

2шт.

9

175-54-34170

WASHER

SN: 63001-UP

2шт.

10

419-46-12260

PIN

SN: 63001-UP

2шт.

11

01010-81220

BOLT

SN: 63001-UP

2шт.

12

175-54-34170

WASHER

SN: 63001-UP

2шт.

Выбрано товаров: 13