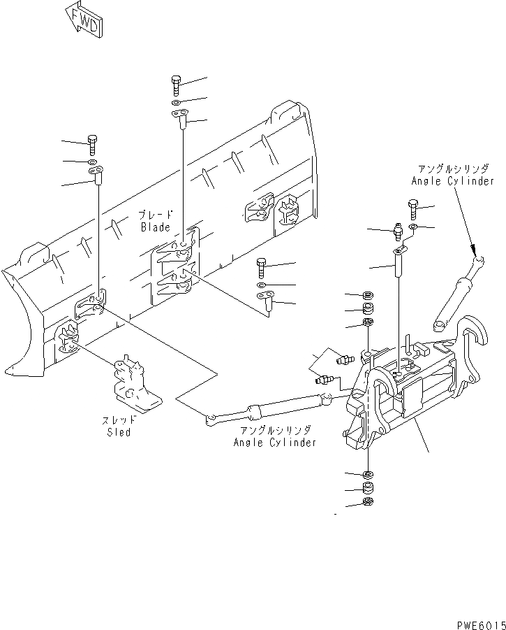
Запчасти Komatsu WA100-3-HW ОТВАЛ (НЕСУЩИЙ ЭЛЕМЕНТ) (P.A.P.) (С MULTI COPLER) РАБОЧЕЕ ОБОРУДОВАНИЕ

Схема запчастей Komatsu WA100-3-HW - ОТВАЛ (НЕСУЩИЙ ЭЛЕМЕНТ) (P.A.P.) (С MULTI COPLER) РАБОЧЕЕ ОБОРУДОВАНИЕ
1
2
2
3
3
3
3
4
5
5
6
6
7
7
8
9
10
11
12
13
14
FIT
1:1
100%

Артикул

Название

Примечание

Количество

|1

417-914-1112

CARRIER ASS'Y

SN: 63001-UP

1шт.

1

0

CARRIER

SN: 64472-UP

1шт.

|1

0

CARRIER

SN: 63001-64471

1шт.

2

07144-10503

BUSHING

SN: 63001-UP

2шт.

3

07145-00050

SEAL,DUST

SN: 63001-UP

4шт.

4

07020-00000

FITTING,GREASE

SN: 63001-UP

2шт.

5

419-824-1330

PIN

SN: 63001-UP

2шт.

6

01010-81220

BOLT

SN: 63001-UP

2шт.

7

175-54-34170

WASHER

SN: 63001-UP

2шт.

8

416-904-1210

PIN

SN: 63001-UP

2шт.

9

01010-81220

BOLT

SN: 63001-UP

2шт.

10

175-54-34170

WASHER

SN: 63001-UP

2шт.

11

07020-00000

FITTING,GREASE

SN: 63001-UP

2шт.

12

419-46-12260

PIN

SN: 63001-UP

2шт.

13

01010-81220

BOLT

SN: 63001-UP

2шт.

14

175-54-34170

WASHER

SN: 63001-UP

2шт.

Выбрано товаров: 16