Запчасти Komatsu WA100-3-HW СТОЯНОЧНЫЙ ТОРМОЗ ЭЛЕМЕНТЫ УПРАВЛ-Я (МЕХАНИЗМ) ГИДРОТРАНСФОРМАТОР И ТРАНСМИССИЯ

Схема запчастей Komatsu WA100-3-HW - СТОЯНОЧНЫЙ ТОРМОЗ ЭЛЕМЕНТЫ УПРАВЛ-Я (МЕХАНИЗМ) ГИДРОТРАНСФОРМАТОР И ТРАНСМИССИЯ
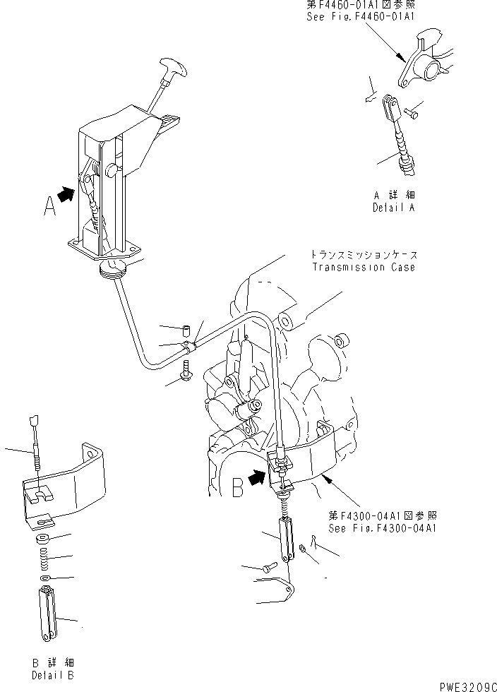
1
1
1
1
2
2
3
4
5
6
7
8
9
10
11
12
13
FIT
1:1
100%

Артикул

Название

Примечание

Количество

1

416-22-26160

CABLE

SN: 63001-UP

1шт.

2

04205-11030

PIN

SN: 63001-UP

2шт.

3

04052-11038

PIN,SNAP

SN: 63001-UP

1шт.

4

04050-13020

PIN,COTTER

SN: 63001-UP

1шт.

5

01641-21016

WASHER

SN: 63001-UP

1шт.

6

416-22-26170

CAP

SN: 63001-UP

1шт.

7

416-878-1470

GROMMET

SN: 63001-UP

1шт.

8

04434-52110

CLIP

SN: 63001-UP

1шт.

9

421-62-14490

SPACER

SN: 63001-UP

1шт.

10

01435-01035

BOLT

SN: 63001-UP

1шт.

11

416-22-26260

SPRING

SN: 63001-UP

1шт.

12

417-43-18380

GUIDE

SN: 63001-UP

1шт.

13

01641-20812

WASHER

SN: 63001-UP

1шт.

Выбрано товаров: 13