Запчасти Komatsu WA100-3-HW ЗАДН. МОСТ (ДИФФЕРЕНЦ.) ГИДРОТРАНСФОРМАТОР И ТРАНСМИССИЯ

Схема запчастей Komatsu WA100-3-HW - ЗАДН. МОСТ (ДИФФЕРЕНЦ.) ГИДРОТРАНСФОРМАТОР И ТРАНСМИССИЯ
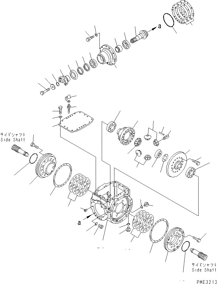
1
2
3
4
5
6
7
8
9
10
11
12
13
14
15
16
17
18
19
19
20
20
21
22
23
24
25
25
26
27
28
29
30
31
32
33
34
35
36
37
38
39
39
40
40
41
41
42
42
43
43
FIT
1:1
100%

Артикул

Название

Примечание

Количество

|1

416-23-20000

AXLE ASS'Y,REAR

SN: 63001-UP

1шт.

1

416-23-21230

COUPLING

SN: 63001-UP

1шт.

2

417-22-21310

PROTECTOR

SN: 63001-UP

1шт.

3

417-22-11810

BEARING

SN: 63001-UP

1шт.

|4

417-22-21200

PINION ASS'Y

SN: 63001-UP

1шт.

4

0

GEAR

SN: 63001-UP

1шт.

5

0

PINION

SN: 63001-UP

1шт.

6

417-23-21130

CAGE

SN: 63001-UP

1шт.

7

417-22-11820

BEARING

SN: 63001-UP

1шт.

8

417-22-11860

SPACER

SN: 63001-UP

1шт.

9

07012-00065

SEAL

SN: 63001-UP

1шт.

10

417-22-21760

SEAL

SN: 63001-UP

1шт.

11

417-15-13770

HOLDER

SN: 63001-UP

1шт.

12

01011-61615

BOLT

SN: 63001-UP

1шт.

13

07000-13035

O-RING

SN: 63001-UP

1шт.

14

07000-15160

O-RING

SN: 63001-UP

1шт.

15

417-22-11360

SHIM¤ 0.05MM

SN: 63001-UP

2шт.

|15

417-22-11370

SHIM¤ 0.2MM

SN: 63001-UP

2шт.

|15

417-22-11380

SHIM¤ 0.3MM

SN: 63001-UP

2шт.

|15

417-22-11390

SHIM¤ 0.8MM

SN: 63001-UP

1шт.

16

01010-31235

BOLT

SN: 63001-UP

13шт.

17

01643-31232

WASHER

SN: 63001-UP

13шт.

18

417-22-11513

CARRIER

SN: 63001-UP

1шт.

19

417-22-11432

GEAR

SN: 63001-UP

2шт.

20

417-22-11420

PINION

SN: 63001-UP

4шт.

21

417-22-11410

SHAFT

SN: 63001-UP

4шт.

22

417-22-11530

WASHER

SN: 63001-UP

1шт.

23

417-22-11442

PIN

SN: 63001-UP

4шт.

24

01010-31645

BOLT

SN: 63001-UP

12шт.

25

417-22-11850

BEARING

SN: 63001-UP

2шт.

26

417-23-13112

HOUSING

SN: 63001-UP

1шт.

27

07044-13620

PLUG

SN: 63001-UP

1шт.

28

07002-13634

O-RING

SN: 63001-UP

1шт.

29

419-22-13140

PLUG

SN: 63001-UP

2шт.

30

07002-13034

O-RING

SN: 63001-UP

2шт.

31

07043-70211

PLUG

SN: 63001-UP

2шт.

32

419-33-11460

BLEEDER

SN: 63001-UP

2шт.

33

07040-11209

PLUG

SN: 63001-UP

2шт.

34

07002-11223

O-RING

SN: 63001-UP

2шт.

35

417-22-13121

COVER

SN: 63001-UP

1шт.

36

01010-31230

BOLT

SN: 63001-UP

16шт.

37

01643-31232

WASHER

SN: 63001-UP

16шт.

38

566-32-11620

CAP

SN: 63001-UP

2шт.

39

417-22-11162

CARRIER

SN: 63001-UP

2шт.

40

417-22-11461

SHIM¤ 0.07MM

SN: 63001-UP

2шт.

|40

417-22-11471

SHIM¤ 0.2MM

SN: 63001-UP

2шт.

|40

417-22-11481

SHIM¤ 0.3MM

SN: 63001-UP

2шт.

|40

417-22-11491

SHIM¤ 0.8MM

SN: 63001-UP

2шт.

41

417-33-11430

RING

SN: 63001-UP

2шт.

42

01010-32130

BOLT

SN: 63001-UP

12шт.

43

417-33-11420

O-RING

SN: 63001-UP

2шт.

Выбрано товаров: 0