Запчасти Komatsu WA100-3-X ЭЛЕКТРИКА (КАБИНА ЛИНИЯ) (С PIZZA HAT КАБИНА)(№-) КОМПОНЕНТЫ ДВИГАТЕЛЯ И ЭЛЕКТРИКА

Схема запчастей Komatsu WA100-3-X - ЭЛЕКТРИКА (КАБИНА ЛИНИЯ) (С PIZZA HAT КАБИНА)(№-) КОМПОНЕНТЫ ДВИГАТЕЛЯ И ЭЛЕКТРИКА
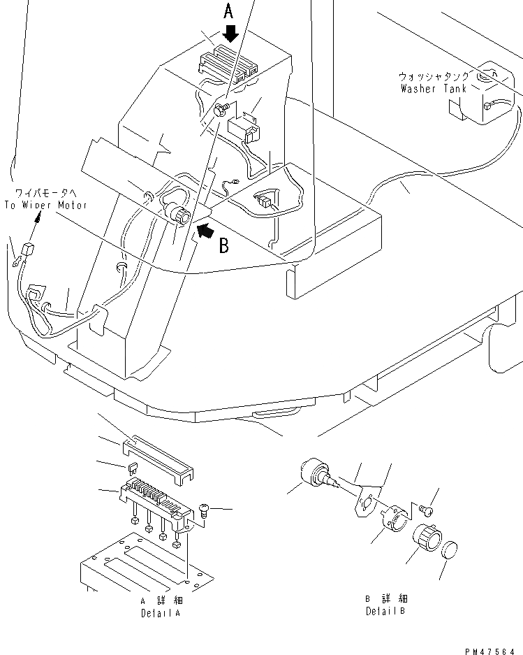
1
2
3
3
4
5
6
7
8
9
10
10
10
11
12
13
14
15
FIT
1:1
100%

Артикул

Название

Примечание

Количество

1

417-56-22410

WIRING HARNESS

SN: 60001-UP

1шт.

2

417-06-26130

WIRING HARNESS

SN: 60001-UP

1шт.

|3

417-07-26130

SWITCH ASS'Y,WIPER

SN: 60001-UP

1шт.

3

417-07-26140

SWITCH

SN: 60001-UP

1шт.

4

417-07-26150

COLLAR

SN: 60001-UP

1шт.

5

417-07-26160

KNOB

SN: 60001-UP

1шт.

6

421-06-26140

CAP

SN: 60001-UP

1шт.

7

421-06-26160

SCREW

SN: 60001-UP

2шт.

8

421-06-26220

RELAY,WIPER

SN: 60001-UP

1шт.

9

01435-00612

BOLT

SN: 60001-UP

2шт.

10

417-06-26110

FUSE BOX ASS'Y,CAB

SN: 60001-UP

1шт.

11

283-06-16190

FUSE¤ 10A

SN: 60001-UP

7шт.

|11

22W-06-13160

FUSE¤ 20A

SN: 60001-UP

4шт.

12

01023-70520

SCREW

SN: 60001-UP

2шт.

13

417-93-21130

PLATE¤ NAME,FUSE

SN: 60001-UP

1шт.

14

08053-01510

CLIP

SN: 60001-UP

1шт.

15

08034-20519

BAND

SN: .-UP

9шт.

|15

08034-20519

BAND

SN: 60001-.

5шт.

Выбрано товаров: 18