Запчасти Komatsu WA100-3-XW PITCH И ANGLE SNOW PНИЗ. (С SHOCK CANCEL ОТВАЛ) (/)(НЕСУЩИЙ ЭЛЕМЕНТ)(№-) СПЕЦ. APPLICATION ЧАСТИ

Схема запчастей Komatsu WA100-3-XW - PITCH И ANGLE SNOW PНИЗ. (С SHOCK CANCEL ОТВАЛ) (/)    (НЕСУЩИЙ ЭЛЕМЕНТ)(№-) СПЕЦ. APPLICATION ЧАСТИ
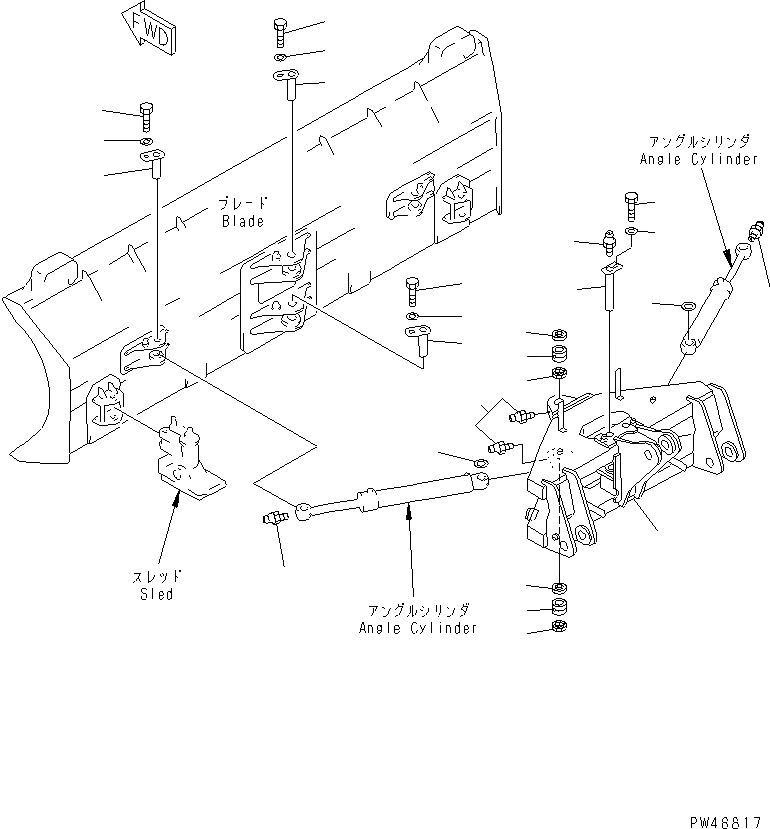
1
2
2
3
3
3
3
4
5
5
6
6
7
7
8
8
9
10
11
11
11
12
12
13
13
FIT
1:1
100%

Артикул

Название

Примечание

Количество

1

416-904-1152

CARRIER

SN: 60001-UP

1шт.

2

07144-10503

BUSHING

SN: 60001-UP

2шт.

3

07145-00050

SEAL,DUST

SN: 60001-UP

4шт.

4

07020-00000

FITTING,GREASE

SN: 60001-UP

2шт.

5

419-824-1330

PIN

SN: 60001-UP

2шт.

6

01010-61220

BOLT

SN: 60001-UP

2шт.

7

175-54-34170

WASHER

SN: 60001-UP

2шт.

8

416-904-1160

SHIM¤ 2.3MM

SN: 60001-UP

2шт.

9

419-46-12260

PIN

SN: 60001-UP

2шт.

10

416-904-1210

PIN

SN: 60001-UP

2шт.

11

07020-00000

FITTING,GREASE

SN: 60001-UP

4шт.

12

01010-61220

BOLT

SN: 60001-UP

4шт.

13

175-54-34170

WASHER

SN: 60001-UP

4шт.

Выбрано товаров: 13