Запчасти Komatsu WA100-3A ПОРУЧНИ (СПЕЦ-Я ДЛЯ УТИЛИЗАЦИИ ПРОМ. ОТХОДОВ) ЧАСТИ КОРПУСА

Схема запчастей Komatsu WA100-3A - ПОРУЧНИ (СПЕЦ-Я ДЛЯ УТИЛИЗАЦИИ ПРОМ. ОТХОДОВ) ЧАСТИ КОРПУСА
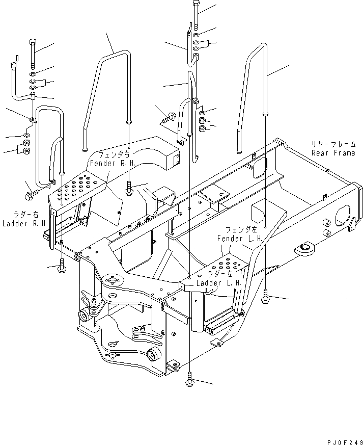
1
2
2
3
4
4
5
5
6
6
7
7
8
8
9
9
10
10
10
10
11
11
FIT
1:1
100%

Артикул

Название

Примечание

Количество

1

416-N10-2520

HAND RAIL,L.H.

SN: 53001-UP

1шт.

2

01435-01225

BOLT

SN: 53001-UP

3шт.

3

416-N10-2530

HAND RAIL,R.H.

SN: 53001-UP

1шт.

4

01435-01225

BOLT

SN: 53001-UP

3шт.

5

416-N10-2410

HAND RAIL

SN: 53001-UP

2шт.

6

01435-01225

BOLT

SN: 53001-UP

4шт.

7

416-N10-2540

HAND RAIL

SN: 53001-UP

2шт.

8

01011-81440

BOLT

SN: 53001-UP

2шт.

9

203-57-53160

SPRING

SN: 53001-UP

4шт.

10

01643-31445

WASHER

SN: 53001-UP

4шт.

11

01580-11411

NUT

SN: 53001-UP

4шт.

Выбрано товаров: 0