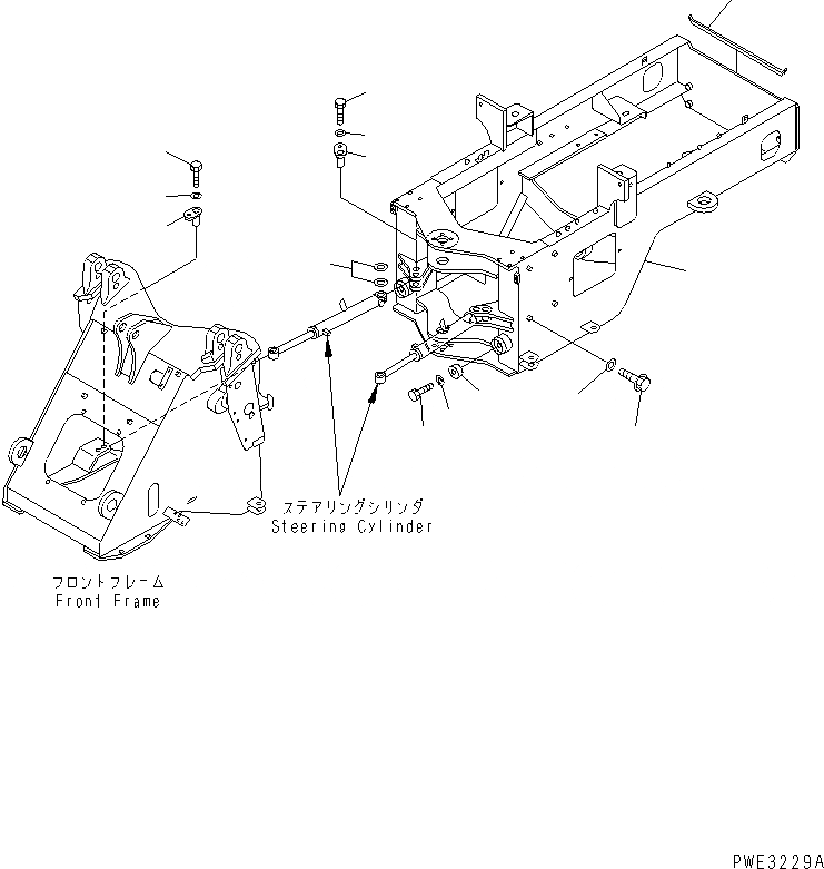
Запчасти Komatsu WA100-3A ЗАДН. РАМА (С СОЕДИНИТ. УСТР-ВО) ОСНОВНАЯ РАМА И ЕЕ ЧАСТИ

Схема запчастей Komatsu WA100-3A - ЗАДН. РАМА (С СОЕДИНИТ. УСТР-ВО) ОСНОВНАЯ РАМА И ЕЕ ЧАСТИ
1
2
3
3
4
5
5
6
6
7
8
9
10
11
FIT
1:1
100%

Артикул

Название

Примечание

Количество

1

416-879-2190

FRAME,REAR (REWORK)

SN: 53001-UP

1шт.

|1

419-46-12E30

SEAT (WELDED)

SN: 53001-UP

1шт.

|1

01571-01016

SEAT (WELDED)

SN: 53001-UP

1шт.

2

416-54-21120

SHEET

SN: 53001-UP

1шт.

3

416-46-12262

PIN

SN: 53001-UP

4шт.

4

416-46-12270

SHIM¤ 1.0MM

SN: 53001-UP

10шт.

5

01010-81220

BOLT

SN: 53001-UP

4шт.

6

175-54-34170

WASHER

SN: 53001-UP

4шт.

7

416-46-11210

BUMPER

SN: 53001-UP

2шт.

8

01010-81225

BOLT

SN: 53001-UP

2шт.

9

01643-31232

WASHER

SN: 53001-UP

2шт.

10

01643-31232

WASHER

SN: 53001-UP

4шт.

11

01435-01220

BOLT

SN: 53001-UP

4шт.

Выбрано товаров: 13