Запчасти Komatsu WA100-3A-S ТОПЛИВОПРОВОД.(№7-) КОМПОНЕНТЫ ДВИГАТЕЛЯ И ЭЛЕКТРИКА

Схема запчастей Komatsu WA100-3A-S - ТОПЛИВОПРОВОД.(№7-) КОМПОНЕНТЫ ДВИГАТЕЛЯ И ЭЛЕКТРИКА
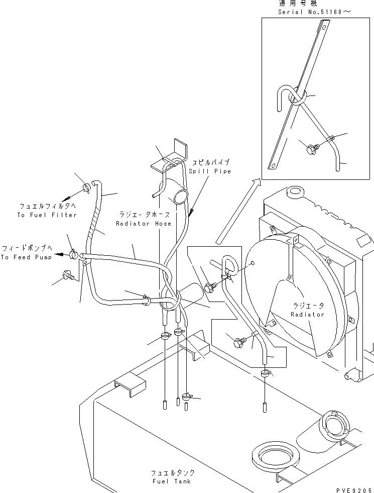
1
2
2
3
3
3
4
4
4
5
5
5
6
7
7
7
8
9
10
11
11
12
13
FIT
1:1
100%

Артикул

Название

Примечание

Количество

1

07270-21049

TUBE,FEED PUMP

SN: 50240-UP

1шт.

2

07270-21090

TUBE

SN: 51168-UP

1шт.

|2

07270-41012

TUBE

SN: 50750-51167

1шт.

3

07281-00167

CLAMP

SN: 50750-UP

3шт.

4

04434-51510

CLIP

SN: 51168-UP

1шт.

|4

04434-51510

CLIP

SN: 50750-51167

3шт.

5

01435-01020

BOLT

SN: 50001-UP

2шт.

6

07270-40410

TUBE

SN: 50001-UP

1шт.

7

07285-00085

CLIP

SN: 50001-UP

3шт.

8

08036-00814

CLIP

SN: 50001-UP

1шт.

9

01435-00814

BOLT

SN: 50001-UP

1шт.

10

363-04-33110

PROTECTOR

SN: 50001-UP

1шт.

11

08034-20519

BAND

SN: 50750-UP

3шт.

|11

08034-20519

BAND

SN: 50001-50749

2шт.

12

08034-20536

BAND

SN: 50001-UP

1шт.

13

08034-20536

BAND

SN: 51168-UP

1шт.

Выбрано товаров: 16