Запчасти Komatsu WA100-3A-SN ПОЛ Э/ПРОВОДКА (С КАБИНОЙ ДЛЯ 2 ЧЕЛ.) (ПРЕДОХРАНИТЕЛЬ КОРПУС) КАБИНА ОПЕРАТОРА И СИСТЕМА УПРАВЛЕНИЯ

Схема запчастей Komatsu WA100-3A-SN - ПОЛ Э/ПРОВОДКА (С КАБИНОЙ ДЛЯ 2 ЧЕЛ.) (ПРЕДОХРАНИТЕЛЬ КОРПУС) КАБИНА ОПЕРАТОРА И СИСТЕМА УПРАВЛЕНИЯ
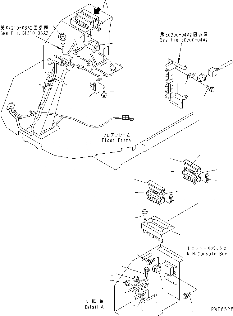
1
2
3
4
5
5
6
7
7
8
9
10
11
12
13
14
15
16
17
18
19
20
21
22
23
24
FIT
1:1
100%

Артикул

Название

Примечание

Количество

1

417-06-22220

BRACKET

SN: 53001-UP

1шт.

2

01435-01016

BOLT

SN: 53001-UP

2шт.

3

569-06-61180

BRACKET

SN: 53001-UP

2шт.

4

01435-00612

BOLT

SN: 53001-UP

2шт.

5

569-06-61960

RELAY,1-WAY

SN: 53001-UP

4шт.

6

569-06-61970

RELAY,2-WAY

SN: 53001-UP

2шт.

7

01435-00612

BOLT

SN: 53001-UP

2шт.

8

416-06-21210

CONTROLLER

SN: 53001-UP

1шт.

9

569-06-61960

RELAY

SN: 53001-UP

1шт.

10

08053-01512

CLIP

SN: 53001-UP

1шт.

11

01435-01016

BOLT

SN: 53001-UP

1шт.

12

416-06-22380

FUSE BOX ASS'Y

SN: 53001-UP

1шт.

13

283-06-16190

FUSE¤ 10A

SN: 53001-UP

14шт.

|13

22W-06-13160

FUSE¤ 20A

SN: 53001-UP

3шт.

14

283-06-16120

COVER

SN: 53001-UP

1шт.

15

01023-70520

SCREW

SN: 53001-UP

2шт.

16

01435-00612

BOLT

SN: 53001-UP

4шт.

17

416-944-2350

BRACKET

SN: 53001-UP

1шт.

18

416-944-2151

FUSE BOX ASS'Y,CAB

SN: 53001-UP

1шт.

19

283-06-16190

FUSE¤ 10A

SN: 53001-UP

7шт.

|19

22W-06-13160

FUSE¤ 20A

SN: 53001-UP

7шт.

20

283-06-16120

COVER

SN: 53001-UP

1шт.

21

01023-70520

SCREW

SN: 53001-UP

2шт.

22

416-944-2170

PLATE¤ NAME

SN: 53001-UP

1шт.

23

421-06-26220

RELAY

SN: 53001-UP

1шт.

24

01435-00612

BOLT

SN: 53001-UP

2шт.

Выбрано товаров: 26