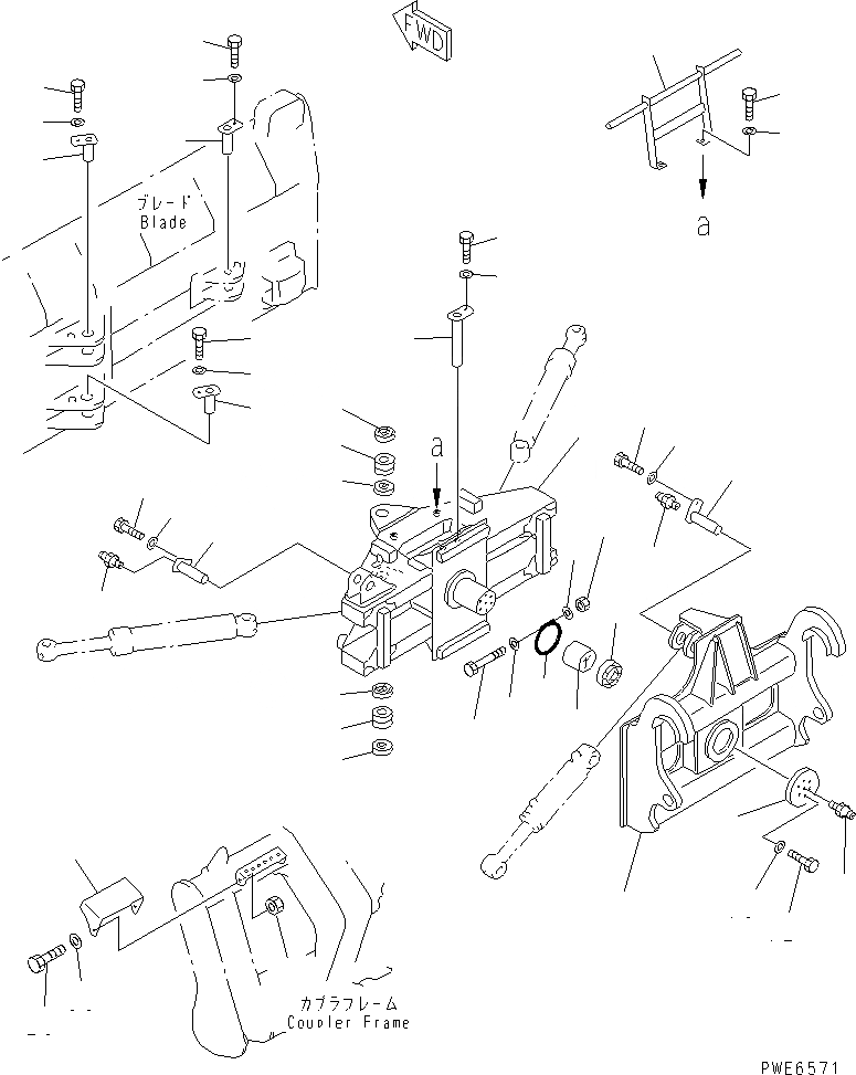
Запчасти Komatsu WA100-3A-SN ОТВАЛ (НЕСУЩИЙ ЭЛЕМЕНТ) (P.A.P.) (С MULTI COPLER НАКЛОНЯЕМ.) РАБОЧЕЕ ОБОРУДОВАНИЕ

Схема запчастей Komatsu WA100-3A-SN - ОТВАЛ (НЕСУЩИЙ ЭЛЕМЕНТ) (P.A.P.) (С MULTI COPLER НАКЛОНЯЕМ.) РАБОЧЕЕ ОБОРУДОВАНИЕ
1
2
2
3
3
3
3
4
5
6
7
8
8
9
10
11
12
13
14
15
15
16
16
17
17
18
19
20
21
22
23
24
24
25
25
26
26
27
27
28
29
30
31
32
33
34
FIT
1:1
100%

Артикул

Название

Примечание

Количество

1

416-919-1110

CARRIER

SN: 53001-UP

1шт.

2

07144-10503

BUSHING

SN: 53001-UP

2шт.

3

07145-00050

SEAL

SN: 53001-UP

4шт.

4

416-T53-1111

FRAME

SN: 53001-UP

1шт.

5

707-76-12140

BUSHING

SN: 53001-UP

1шт.

6

418-T50-1240

CORD,RING

SN: 53001-UP

1шт.

7

426-09-11150

BOLT

SN: 53001-UP

1шт.

8

01643-30623

WASHER

SN: 53001-UP

1шт.

9

01596-00606

NUT

SN: 53001-UP

1шт.

10

421-09-11350

SEAL,DUST

SN: 53001-UP

1шт.

11

418-T50-1230

PLATE

SN: 53001-UP

1шт.

12

01010-81875

BOLT

SN: 53001-UP

6шт.

13

01643-31845

WASHER

SN: 53001-UP

6шт.

14

07020-00000

FITTING,GREASE

SN: 53001-UP

1шт.

15

419-824-1330

PIN

SN: 53001-UP

2шт.

16

01010-81220

BOLT

SN: 53001-UP

2шт.

17

175-54-34170

WASHER

SN: 53001-UP

2шт.

18

416-904-1210

PIN

SN: 53001-UP

2шт.

19

01010-81220

BOLT

SN: 53001-UP

2шт.

20

175-54-34170

WASHER

SN: 53001-UP

2шт.

21

419-46-12260

PIN

SN: 53001-UP

2шт.

22

01010-81220

BOLT

SN: 53001-UP

2шт.

23

175-54-34170

WASHER

SN: 53001-UP

2шт.

24

417-70-11950

PIN

SN: 53001-UP

2шт.

25

01010-81220

BOLT

SN: 53001-UP

2шт.

26

175-54-34170

WASHER

SN: 53001-UP

2шт.

27

07020-00000

FITTING,GREASE

SN: 53001-UP

2шт.

28

416-T53-1240

COVER

SN: 53001-UP

2шт.

29

01010-81225

BOLT

SN: 53001-UP

4шт.

30

01643-31232

WASHER

SN: 53001-UP

4шт.

31

416-T50-1150

SUPPORT

SN: 53001-UP

1шт.

32

01010-81225

BOLT

SN: 53001-UP

2шт.

33

01643-31232

WASHER

SN: 53001-UP

2шт.

34

01596-01211

NUT

SN: 53001-UP

2шт.

Выбрано товаров: 34