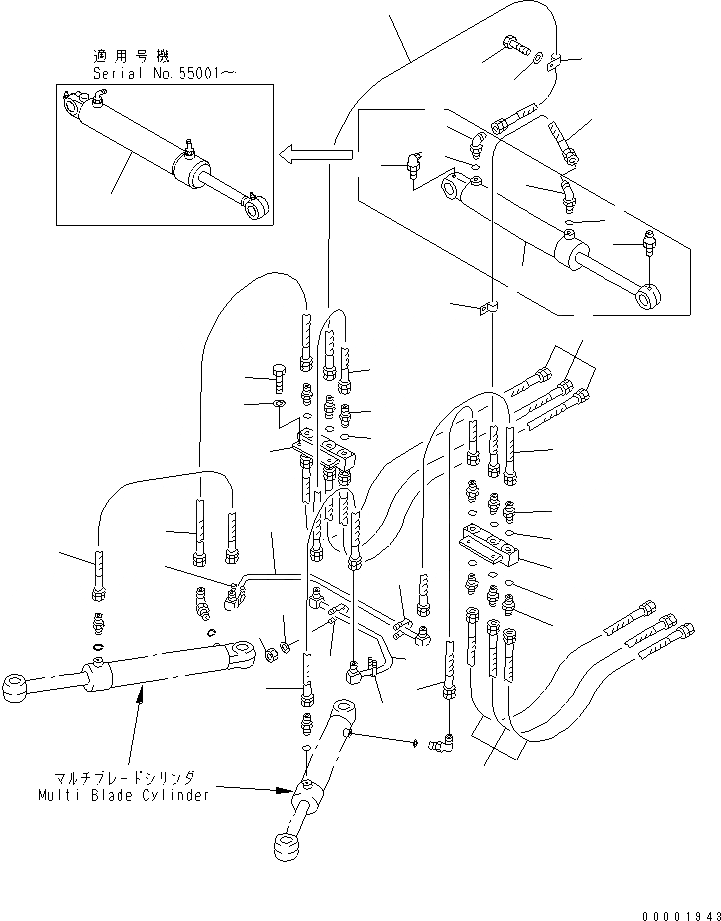
Запчасти Komatsu WA100-3A-SN ОТВАЛ (ЦИЛИНДР НАКЛОНА ЛИНИЯ /) (MULTI ОТВАЛ) (SLIDE ТИП) РАБОЧЕЕ ОБОРУДОВАНИЕ

Схема запчастей Komatsu WA100-3A-SN - ОТВАЛ (ЦИЛИНДР НАКЛОНА ЛИНИЯ /) (MULTI ОТВАЛ) (SLIDE ТИП) РАБОЧЕЕ ОБОРУДОВАНИЕ
1
1
2
3
4
4
5
5
5
6
6
6
6
6
7
7
8
8
9
9
9
9
9
9
10
10
11
12
13
13
14
15
16
17
18
18
18
18
19
20
FIT
1:1
100%

Артикул

Название

Примечание

Количество

1

707-00-X7310

CYLINDER GROUP,SLIDE

SN: 55001-UP

1шт.

|1

707-00-02210

CYLINDER ASS'Y,SLIDE

SN: 53001-55000

1шт.

2

07020-00000

FITTING,GREASE

SN: 53001-55000

1шт.

3

07020-00900

FITTING,GREASE

SN: 53001-55000

1шт.

4

07235-10422

ELBOW

SN: 53001-55000

2шт.

5

07230-20422

UNION

SN: 53001-UP

12шт.

6

07002-12034

O-RING

SN: 55001-UP

12шт.

|6

07002-12034

O-RING

SN: 53001-55000

14шт.

7

07123-20416

HOSE

SN: 53001-UP

2шт.

8

07123-20414

HOSE

SN: 53001-UP

2шт.

9

07123-20412

HOSE

SN: 53001-UP

10шт.

10

416-869-1150

BRACKET

SN: 53001-UP

2шт.

11

01010-81025

BOLT

SN: 53001-UP

4шт.

12

01643-31032

WASHER

SN: 53001-UP

4шт.

13

424-09-12560

CLIP

SN: 53001-UP

2шт.

14

01010-81016

BOLT

SN: 53001-UP

2шт.

15

01643-31032

WASHER

SN: 53001-UP

2шт.

16

416-S74-1130

TUBE

SN: 53001-UP

1шт.

17

416-S74-1140

TUBE

SN: 53001-UP

1шт.

18

07283-22244

CLIP

SN: 53001-UP

4шт.

19

01597-01009

NUT

SN: 53001-UP

8шт.

20

01643-31032

WASHER

SN: 53001-UP

8шт.

Выбрано товаров: 22