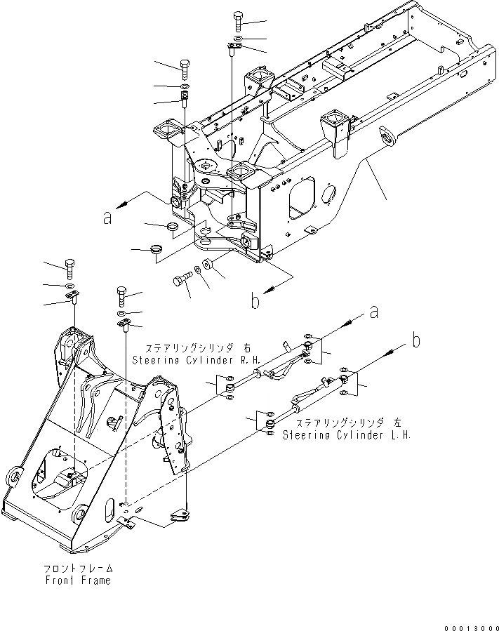
Запчасти Komatsu WA100-5 ЗАДН. РАМА (ДЛЯ СОЕДИНИТ. УСТР-ВО¤ ДОПОЛНИТ. ПРОТИВОВЕС¤ ТАХОГРАФ) ОСНОВНАЯ РАМА И ЕЕ ЧАСТИ

Схема запчастей Komatsu WA100-5 - ЗАДН. РАМА (ДЛЯ СОЕДИНИТ. УСТР-ВО¤ ДОПОЛНИТ. ПРОТИВОВЕС¤ ТАХОГРАФ) ОСНОВНАЯ РАМА И ЕЕ ЧАСТИ
1
2
3
4
4
4
4
5
5
5
5
6
6
6
6
7
7
7
7
8
9
10
FIT
1:1
100%

Артикул

Название

Примечание

Количество

1

416-V88-3410

FRAME REWORK,REAR

SN: 70001-UP

1шт.

2

417-46-22210

BUSHING

SN: 70001-UP

1шт.

3

417-46-22220

BUSHING

SN: 70001-UP

1шт.

4

416-46-32210

PIN

SN: 70001-UP

4шт.

5

205-27-51360

SHIM¤ 0.5MM

SN: 70001-UP

20шт.

6

01010-81220

BOLT

SN: 70001-UP

4шт.

7

175-54-34170

WASHER

SN: 70001-UP

4шт.

8

416-46-11210

BUMPER

SN: 70001-UP

2шт.

9

01010-81225

BOLT

SN: 70001-UP

2шт.

10

01643-31232

WASHER

SN: 70001-UP

2шт.

Выбрано товаров: 10