Запчасти Komatsu WA100-5-SN ПОЛ (ЭЛЕКТРИКА) КАБИНА ОПЕРАТОРА И СИСТЕМА УПРАВЛЕНИЯ

Схема запчастей Komatsu WA100-5-SN - ПОЛ (ЭЛЕКТРИКА) КАБИНА ОПЕРАТОРА И СИСТЕМА УПРАВЛЕНИЯ
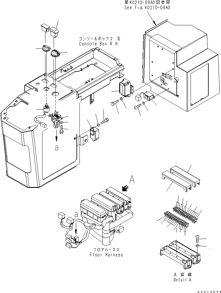
1
1
1
2
2
2
2
3
4
4
5
5
5
6
7
8
9
10
11
12
13
14
15
18
19
20
21
22
23
24
25
26
FIT
1:1
100%

Артикул

Название

Примечание

Количество

1

283-06-16190

FUSE¤ 10A

SN: 70001-UP

11шт.

2

22W-06-13160

FUSE¤ 20A

SN: 70001-UP

5шт.

3

283-06-16120

COVER

SN: 70001-UP

1шт.

4

283-06-16190

FUSE¤ 10A

SN: 70001-UP

9шт.

5

22W-06-13160

FUSE¤ 20A

SN: 70001-UP

6шт.

6

283-06-16120

COVER

SN: 70001-UP

1шт.

7

01220-40520

SCREW

SN: 70001-UP

4шт.

8

01641-20508

WASHER

SN: 70001-UP

4шт.

9

421-06-26220

RELAY

SN: 70001-UP

1шт.

10

01010-80610

BOLT

SN: 70001-UP

2шт.

11

01643-30623

WASHER

SN: 70001-UP

2шт.

12

23S-05-35320

BUZZER

SN: 70001-UP

1шт.

13

01220-40412

SCREW

SN: 70001-UP

2шт.

14

01641-20405

WASHER

SN: 70001-UP

2шт.

15

421-06-36231

SWITCH

SN: 70001-UP

1шт.

18

416-06-22250

FLASHER

SN: 70001-UP

1шт.

19

01010-80612

BOLT

SN: 70001-UP

2шт.

20

01643-30623

WASHER

SN: 70001-UP

2шт.

21

421-06-36241

KNOB

SN: 70001-UP

1шт.

22

418-06-36190

SWITCH,TRACTION CONTROL

SN: 70001-UP

1шт.

23

22U-06-22420

POTENTIOMETER ASS'Y

SN: 70001-UP

1шт.

24

22U-06-22470

KNOB

SN: 70001-UP

1шт.

25

01010-80612

BOLT

SN: 70001-UP

2шт.

26

01643-30623

WASHER

SN: 70001-UP

2шт.

Выбрано товаров: 24