Запчасти Komatsu WA100-5-SN ПЕРЕДАЧА КРЕПЛЕНИЕ ТРАНСМИССИЯ

Схема запчастей Komatsu WA100-5-SN - ПЕРЕДАЧА КРЕПЛЕНИЕ ТРАНСМИССИЯ
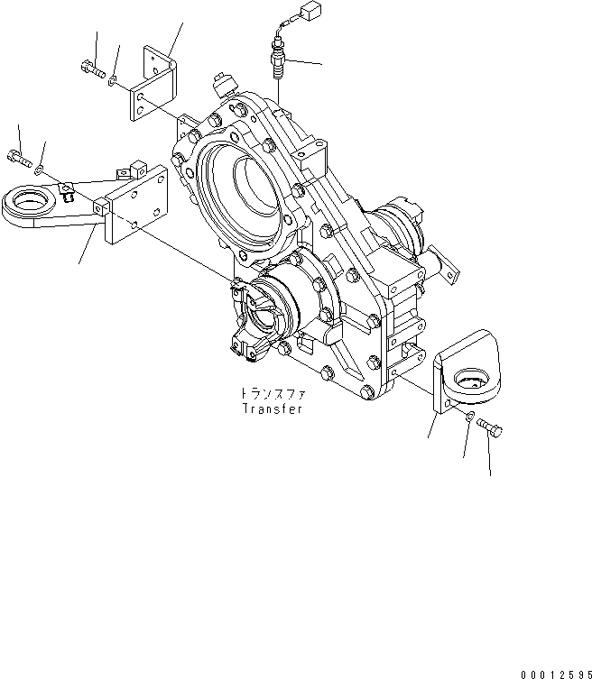
1
2
3
4
5
6
7
8
9
10
FIT
1:1
100%

Артикул

Название

Примечание

Количество

1

416-14-31112

BRACKET,L.H.

SN: 70001-UP

1шт.

2

01010-81240

BOLT

SN: 70001-UP

4шт.

3

01643-31232

WASHER

SN: 70001-UP

4шт.

4

416-14-31124

BRACKET,R.H.

SN: 70001-UP

1шт.

5

01010-81240

BOLT

SN: 70001-UP

4шт.

6

01643-31232

WASHER

SN: 70001-UP

4шт.

7

416-14-31131

BRACKET,R.H.

SN: 70001-UP

1шт.

8

01010-81230

BOLT

SN: 70001-UP

2шт.

9

01643-31232

WASHER

SN: 70001-UP

2шт.

10

7861-93-2330

SENSOR

SN: 70001-UP

1шт.

Выбрано товаров: 10