Запчасти Komatsu WA100-5-SS ПОЛ (COVER) КАБИНА ОПЕРАТОРА И СИСТЕМА УПРАВЛЕНИЯ

Схема запчастей Komatsu WA100-5-SS - ПОЛ (COVER) КАБИНА ОПЕРАТОРА И СИСТЕМА УПРАВЛЕНИЯ
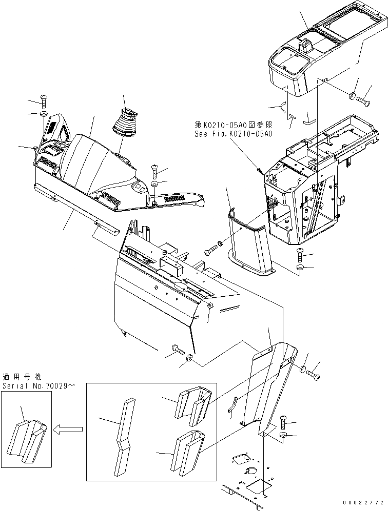
1
2
3
4
5
5
6
7
8
9
9A
9B
9B
10
11
11
12
12
13
14
15
16
17
18
19
20
21
21
22
22
FIT
1:1
100%

Артикул

Название

Примечание

Количество

1

418-54-32612

COVER

SN: 70001-UP

1шт.

2

416-54-32511

COVER

SN: 70001-UP

1шт.

3

421-54-22520

FINISHER

SN: 70001-UP

1шт.

4

418-54-32870

COVER

SN: 70001-UP

1шт.

5

416-54-32561

SHEET

SN: 70172-UP

1шт.

|5

416-54-32560

SHEET

SN: 70029-70171

1шт.

|5

418-54-32581

SHEET

SN: 70001-70028

1шт.

6

418-54-32591

SHEET

SN: 70001-70028

1шт.

7

418-54-33140

SHEET

SN: 70001-70028

1шт.

8

418-40-32160

BOOT

SN: 70001-UP

1шт.

9

418-54-32625

COVER

SN: 70001-UP

1шт.

9A

421-09-12780

CUSHION

SN: 70001-UP

1шт.

9B

418-54-22190

CUSHION

SN: 70001-UP

2шт.

10

418-54-32713

PLATE

SN: 70001-UP

1шт.

11

418-926-3490

WASHER

SN: 70001-UP

8шт.

12

01225-70616

SCREW

SN: 70001-UP

8шт.

13

418-54-32550

RIVET

SN: 70001-UP

4шт.

14

418-54-32560

KNOB

SN: 70001-UP

2шт.

15

418-926-3490

WASHER

SN: 70001-UP

3шт.

16

01225-70616

SCREW

SN: 70001-UP

3шт.

17

418-926-3490

WASHER

SN: 70001-UP

4шт.

18

01225-70616

SCREW

SN: 70001-UP

4шт.

19

01225-70616

SCREW

SN: 70001-UP

2шт.

20

418-926-3490

WASHER

SN: 70001-UP

2шт.

21

418-926-3490

WASHER

SN: 70001-UP

5шт.

22

01225-70616

SCREW

SN: 70001-UP

5шт.

Выбрано товаров: 26