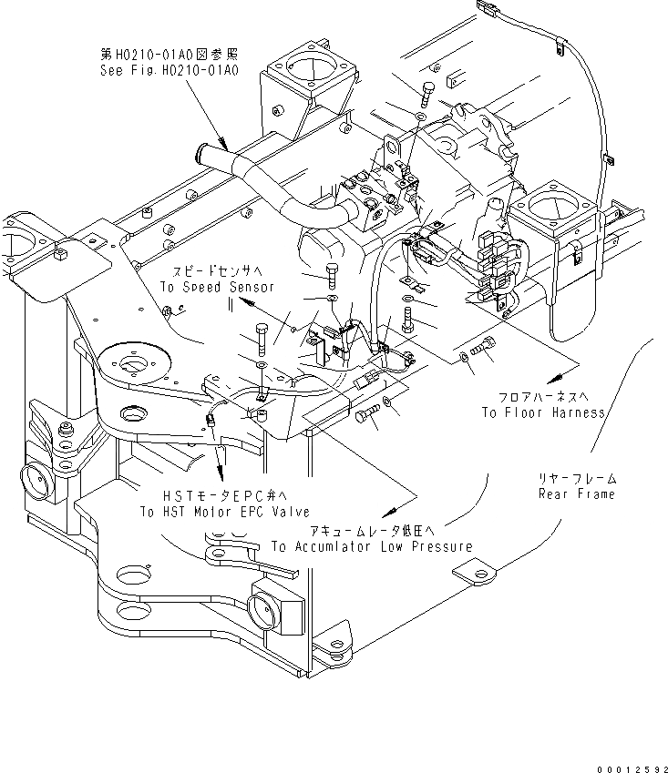
Запчасти Komatsu WA100-5-SS ЗАДН. Э/ПРОВОДКА (/) (HST Э/ПРОВОДКА) ЭЛЕКТРИКА

Схема запчастей Komatsu WA100-5-SS - ЗАДН. Э/ПРОВОДКА (/) (HST Э/ПРОВОДКА) ЭЛЕКТРИКА
1
2
3
4
4
5
6
7
7
7
7
8
8
8
8
9
10
11
12
13
14
15
16
17
FIT
1:1
100%

Артикул

Название

Примечание

Количество

1

416-06-32363

WIRING HARNESS

SN: 70001-UP

1шт.

2

07095-20314

CUSHION

SN: 70001-UP

1шт.

3

04434-52112

CLIP

SN: 70001-UP

1шт.

4

04434-51012

CLIP

SN: 70001-UP

2шт.

5

21T-72-23280

CLIP

SN: 70051-UP

1шт.

|5

04434-51212

CLIP

SN: 70001-70050

1шт.

6

04434-51412

CLIP

SN: 70001-UP

1шт.

7

01010-81020

BOLT

SN: 70001-UP

4шт.

8

01643-31032

WASHER

SN: 70001-UP

4шт.

9

103-21-31260

BOSS

SN: 70001-UP

1шт.

10

01010-81040

BOLT

SN: 70001-UP

1шт.

11

01643-31032

WASHER

SN: 70001-UP

1шт.

12

416-06-32372

BRACKET

SN: 70001-UP

1шт.

13

01010-81020

BOLT

SN: 70001-UP

1шт.

14

01643-31032

WASHER

SN: 70001-UP

1шт.

15

08193-21012

CLIP

SN: 70001-UP

1шт.

16

08034-20310

BAND

SN: 70001-UP

1шт.

17

416-06-31350

BRACKET

SN: 70001-UP

1шт.

Выбрано товаров: 18