Запчасти Komatsu WA100-5-TK ЗАДН. КРЫЛО ЧАСТИ КОРПУСА

Схема запчастей Komatsu WA100-5-TK - ЗАДН. КРЫЛО ЧАСТИ КОРПУСА
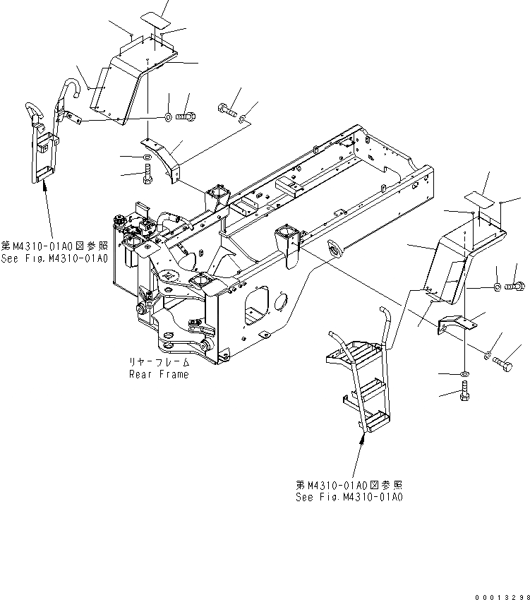
1
2
3
4
5
6
7
8
8
9
10
11
12
13
14
15
16
16
17
18
19
20
21
22
FIT
1:1
100%

Артикул

Название

Примечание

Количество

1

416-54-34135

FENDER,L.H.

SN: 70001-UP

1шт.

2

01010-81225

BOLT

SN: 70001-UP

2шт.

3

01643-31232

WASHER

SN: 70001-UP

2шт.

4

01010-81230

BOLT

SN: 70001-UP

2шт.

5

01643-31232

WASHER

SN: 70001-UP

2шт.

6

22B-00-11210

SHEET

SN: 70001-UP

1шт.

7

421-54-21850

PLUG

SN: 70001-UP

3шт.

8

363-54-32220

PLUG

SN: 70001-UP

6шт.

9

416-54-34145

FENDER,R.H.

SN: 70001-UP

1шт.

10

01010-81225

BOLT

SN: 70001-UP

2шт.

11

01643-31232

WASHER

SN: 70001-UP

2шт.

12

01010-81230

BOLT

SN: 70001-UP

2шт.

13

01643-31232

WASHER

SN: 70001-UP

2шт.

14

22B-00-11210

SHEET

SN: 70001-UP

1шт.

15

421-54-21850

PLUG

SN: 70001-UP

3шт.

16

363-54-32220

PLUG

SN: 70001-UP

6шт.

17

416-54-34151

BRACKET,L.H.

SN: 70001-UP

1шт.

18

01010-81230

BOLT

SN: 70001-UP

2шт.

19

01643-31232

WASHER

SN: 70001-UP

2шт.

20

416-54-34161

BRACKET,R.H.

SN: 70001-UP

1шт.

21

01010-81230

BOLT

SN: 70001-UP

2шт.

22

01643-31232

WASHER

SN: 70001-UP

2шт.

Выбрано товаров: 22