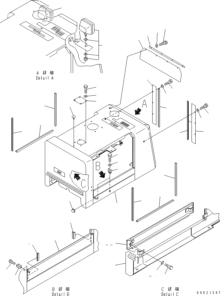
Запчасти Komatsu WA100M-3-CN КАПОТ (ДЛЯ D ТИП РАДИАТОР)(№-) ЧАСТИ КОРПУСА

Схема запчастей Komatsu WA100M-3-CN - КАПОТ (ДЛЯ D ТИП РАДИАТОР)(№-) ЧАСТИ КОРПУСА
1
1
1
2
3
3
4
4
4
4
5
6
7
8
9
10
11
12
12
13
13
14
14
15
15
16
17
18
19
20
21
21
22
23
24
25
26
27
FIT
1:1
100%

Артикул

Название

Примечание

Количество

1

415-54-23250

HOOD

SN: 11501-UP

1шт.

2

417-54-21370

SEAL

SN: 10001-UP

1шт.

3

417-54-21380

SEAL

SN: 10001-UP

2шт.

4

415-54-23290

SEAL

SN: 11501-UP

4шт.

5

417-54-21990

SHEET

SN: 10001-UP

1шт.

6

417-54-21460

SPRING

SN: 10001-UP

2шт.

7

01010-80816

BOLT

SN: 11501-UP

2шт.

8

01643-30823

WASHER

SN: 11501-UP

2шт.

9

08052-01911

CLIP

SN: 10001-UP

1шт.

10

01220-40608

SCREW

SN: 10001-UP

1шт.

11

09415-00706

CAP

SN: 10001-UP

1шт.

12

415-U47-2330

PLATE

SN: 11501-UP

2шт.

13

23S-54-27930

SEAL

SN: 11001-UP

2шт.

14

01010-80816

BOLT

SN: 11501-UP

6шт.

15

01643-30823

WASHER

SN: 11501-UP

6шт.

16

415-54-22251

PLATE

SN: 10001-UP

1шт.

17

415-54-22260

PLATE

SN: 10001-UP

1шт.

18

01010-80820

BOLT

SN: 11501-UP

4шт.

19

01643-30823

WASHER

SN: 11501-UP

4шт.

20

416-54-21710

PLUG

SN: 11001-UP

2шт.

21

421-06-23350

LAMP ASS'Y

SN: 10001-UP

2шт.

|21

421-06-23320

LENS

SN: 10001-UP

2шт.

|21

421-06-23330

BULB¤ 70W

SN: 10001-UP

2шт.

22

418-54-21410

PANEL

SN: 11501-UP

1шт.

23

01010-81025

BOLT

SN: 11501-UP

2шт.

24

01643-31032

WASHER

SN: 11501-UP

2шт.

25

415-54-21190

PLATE

SN: 11501-UP

1шт.

26

01010-81225

BOLT

SN: 11501-UP

4шт.

27

01643-31232

WASHER

SN: 11501-UP

4шт.

Выбрано товаров: 29