Запчасти Komatsu WA100M-3 РАДИАТОР (РЕЗЕРВН. БАК¤ ТРУБЫ И ЭЛЕМЕНТЫ КРЕПЛЕНИЯ) (СПЕЦ-Я LIVESTOCK RAISING)(№8-) СИСТЕМА ОХЛАЖДЕНИЯ

Схема запчастей Komatsu WA100M-3 - РАДИАТОР (РЕЗЕРВН. БАК¤ ТРУБЫ И ЭЛЕМЕНТЫ КРЕПЛЕНИЯ) (СПЕЦ-Я LIVESTOCK RAISING)(№8-) СИСТЕМА ОХЛАЖДЕНИЯ
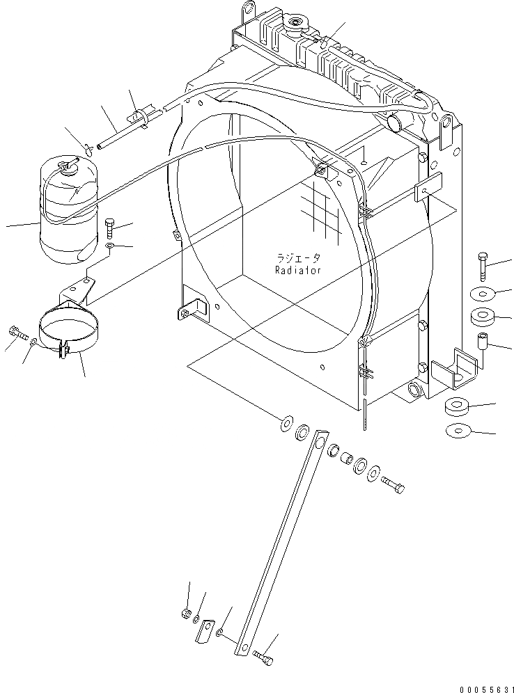
1
2
2
3
4
4
5
6
7
8
9
10
11
12
13
14
15
16
16
17
FIT
1:1
100%

Артикул

Название

Примечание

Количество

1

01010-81265

BOLT

SN: 11508-UP

2шт.

2

416-03-11210

WASHER

SN: 11508-UP

4шт.

3

415-03-11210

SPACER

SN: 11508-UP

2шт.

4

416-03-11221

CUSHION

SN: 11508-UP

4шт.

5

01580-01210

NUT

SN: 11508-UP

2шт.

6

01643-31232

WASHER

SN: 11508-UP

2шт.

7

01643-31232

WASHER

SN: 11508-UP

2шт.

8

416-03-11281

BOLT

SN: 11508-UP

2шт.

9

417-03-21291

TANK

SN: 11193-UP

1шт.

9

417-03-21360

CAP

SN: 11193-UP

1шт.

10

415-03-21560

BAND

SN: 11501-UP

1шт.

11

01010-80825

BOLT

SN: 11501-UP

1шт.

12

01643-30823

WASHER

SN: 11501-UP

1шт.

13

01010-81025

BOLT

SN: 11501-UP

2шт.

14

01643-31032

WASHER

SN: 11501-UP

2шт.

15

22T-03-22341

HOSE

SN: 11501-UP

1шт.

16

206-03-43340

CLIP

SN: 10001-UP

2шт.

17

08034-20536

BAND

SN: 11501-UP

1шт.

Выбрано товаров: 18