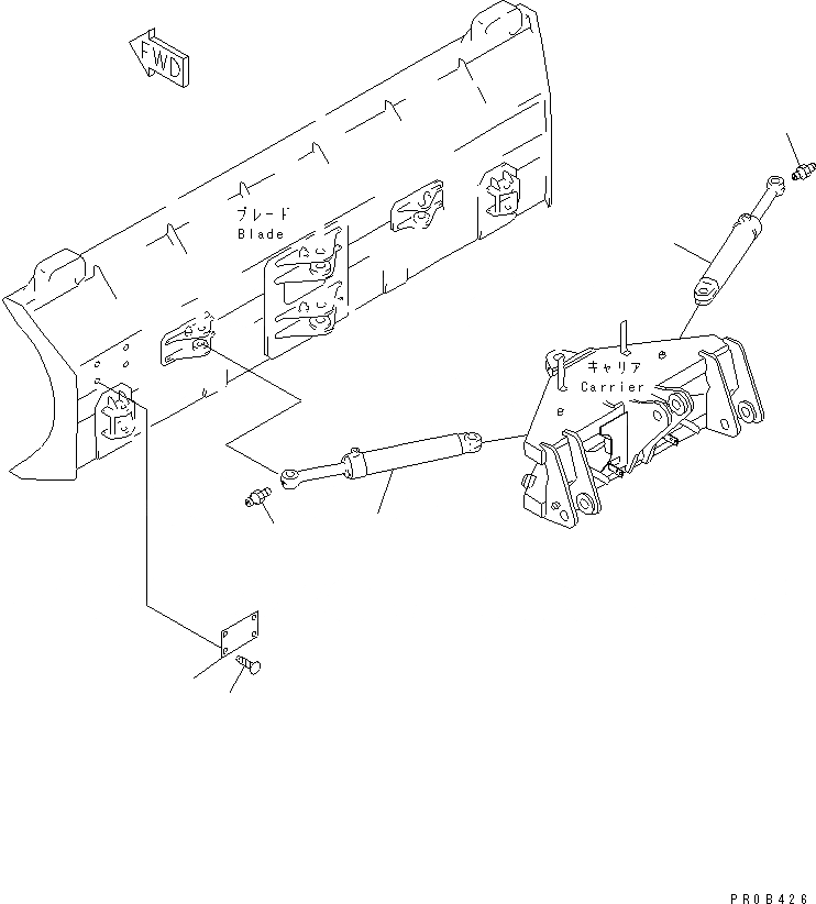
Запчасти Komatsu WA100M-3 P.A.P. (ТАБЛИЧКИ И ЦИЛИНДР НАКЛОНА) РАБОЧЕЕ ОБОРУДОВАНИЕ

Схема запчастей Komatsu WA100M-3 - P.A.P. (ТАБЛИЧКИ И ЦИЛИНДР НАКЛОНА) РАБОЧЕЕ ОБОРУДОВАНИЕ
1
1
2
3
4
4
FIT
1:1
100%

Артикул

Название

Примечание

Количество

1

707-00-X7600

CYLINDER GROUP,ANGLE, L.H.

SN: 11001-UP

1шт.

1

707-00-60181

CYLINDER ASS'Y,ANGLE

SN: 10001-11000

1шт.

1

707-00-X7610

CYLINDER GROUP,ANGLE, R.H.

SN: 11001-UP

1шт.

1

707-00-60191

CYLINDER ASS'Y,ANGLE

SN: 10001-11000

1шт.

2

09601-60000

PLATE, NAME,(LIMITED SUPPLY)

SN: 10001-UP

1шт.

3

04418-13060

SCREW

SN: 10001-UP

4шт.

4

07020-00000

FITTING,GREASE

SN: 10001-11000

2шт.

Выбрано товаров: 0