Запчасти Komatsu WA100M-3 ПРОВОДКА (ПЕРЕДН. РАМА)(№-) ЭЛЕКТРИКА

Схема запчастей Komatsu WA100M-3 - ПРОВОДКА (ПЕРЕДН. РАМА)(№-) ЭЛЕКТРИКА
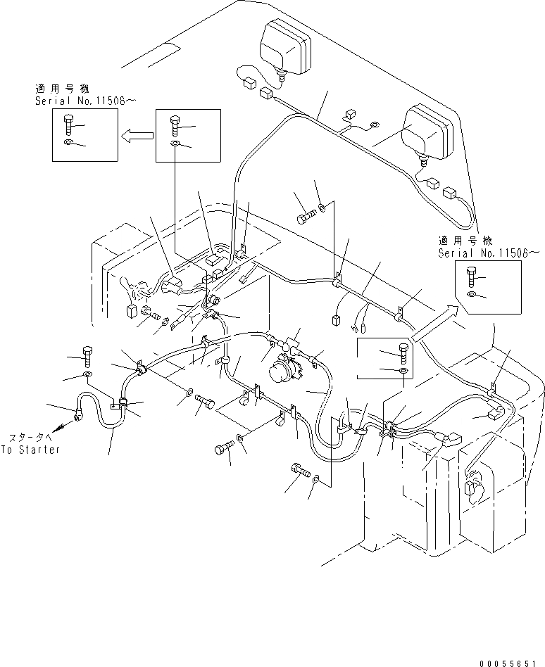
1
2
3
3
4
5
6
7
7
7
7
7
8
8
8
8
8
9
9
9
9
9
10
10
10
10
10
11
11
12
12
13
13
14
15
16
17
18
18
18
18
18
18
18
18
19
19
20
21
22
22
22
22
23
24
FIT
1:1
100%

Артикул

Название

Примечание

Количество

1

01010-81020

BOLT

SN: 11501-UP

3шт.

2

01643-31032

WASHER

SN: 11501-UP

3шт.

3

08038-06031

CAP

SN: 11527-UP

1шт.

3

08038-06031

CAP

SN: 11501-11526

3шт.

4

01010-81016

BOLT

SN: 11501-UP

1шт.

5

01643-31032

WASHER

SN: 11501-UP

1шт.

6

415-06-22710

CABLE

SN: 11501-11533

1шт.

7

04434-52511

CLIP

SN: 11501-UP

5шт.

8

07095-20318

CUSHION

SN: 11501-UP

5шт.

9

01010-81020

BOLT

SN: 11508-UP

6шт.

9

01010-81020

BOLT

SN: 11501-11507

8шт.

10

01643-31032

WASHER

SN: 11508-UP

6шт.

10

01643-31032

WASHER

SN: 11501-11507

8шт.

11

01010-81025

BOLT

SN: 11508-UP

2шт.

12

01643-31032

WASHER

SN: 11508-UP

2шт.

13

14X-06-12280

COVER,L.H.

SN: 11501-UP

2шт.

14

415-06-22760

CABLE

SN: 11508-11526

1шт.

14

08028-CB175

CABLE, BATTERY

SN: 11501-11507

1шт.

15

14X-06-12270

COVER,R.H.

SN: 11501-UP

1шт.

16

21J-06-11570

COVER

SN: 11501-UP

1шт.

17

08028-AB035

CABLE

SN: 11501-UP

1шт.

18

04434-51710

CLIP

SN: 11501-UP

8шт.

19

415-06-22641

WIRING HARNESS

SN: 12001-UP

1шт.

19

415-06-22640

WIRING HARNESS

SN: 11501-12000

1шт.

20

415-06-22360

WIRING HARNESS

SN: 11501-UP

1шт.

21

415-06-22720

CABLE

SN: 11501-11526

1шт.

22

04434-51410

CLIP

SN: 11501-UP

4шт.

23

01010-81016

BOLT

SN: 11501-UP

4шт.

24

01643-31032

WASHER

SN: 11501-UP

4шт.

Выбрано товаров: 29