Запчасти Komatsu WA100M-3 ПРОВОДКА ЗАДН. РАМА(№7-) ЭЛЕКТРИКА

Схема запчастей Komatsu WA100M-3 - ПРОВОДКА ЗАДН. РАМА(№7-) ЭЛЕКТРИКА
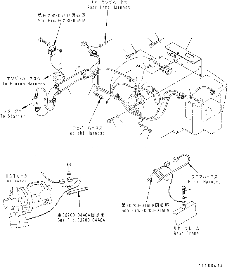
1
2
3
4
5
6
7
8
9
10
11
12
13
14
15
15
16
17
18
19
FIT
1:1
100%

Артикул

Название

Примечание

Количество

1

415-06-22632

WIRING HARNESS

SN: 11534-UP

1шт.

1

415-06-22631

WIRING HARNESS

SN: 11527-11533

1шт.

2

20T-06-81220

CONNECTOR

SN: 11527-UP

1шт.

3

20T-06-81230

FUSIBLE LINK

SN: 11534-UP

1шт.

4

415-06-22770

WIRE

SN: 11534-UP

1шт.

5

08088-30000

SWITCH

SN: 11527-UP

1шт.

6

01010-80830

BOLT

SN: 11527-UP

2шт.

7

01643-30823

WASHER

SN: 11527-UP

2шт.

8

415-06-22551

BRACKET

SN: 11527-UP

1шт.

9

08053-01510

CLIP

SN: 11534-UP

1шт.

10

01010-81016

BOLT

SN: 11534-UP

1шт.

11

01643-31032

WASHER

SN: 11534-UP

1шт.

12

600-815-8930

SWITCH

SN: 11527-UP

1шт.

13

01010-80816

BOLT

SN: 11527-UP

2шт.

14

01643-30823

WASHER

SN: 11527-UP

2шт.

15

08038-06031

CAP

SN: 11527-UP

2шт.

16

415-06-22710

CABLE

SN: 11527-UP

1шт.

17

415-06-22720

CABLE

SN: 11527-UP

1шт.

18

01010-80820

BOLT

SN: 11527-UP

1шт.

19

01643-30823

WASHER

SN: 11527-UP

1шт.

Выбрано товаров: 20