Запчасти Komatsu WA100M-5 30 km ЗАДН. МОСТ ЗАДН. МОСТ

Схема запчастей Komatsu WA100M-5 30 km - ЗАДН. МОСТ ЗАДН. МОСТ
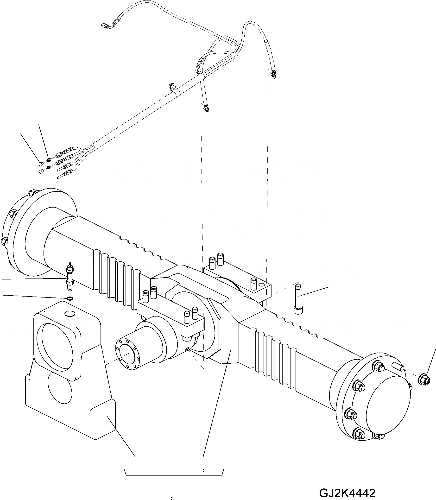
1
2
10
11
6
9
7
8
3
4
5
FIT
1:1
100%

Артикул

Название

Примечание

Количество

1

42W-23-21320

REAR AXLE ASSEMBLY

EnglischBem: AXLE WITH 25% LIMITED SLIP

1шт.

2

42W-23-21410

REAR AXLE ASSEMBLY

EnglischBem: AXLE WITH 100% DIFF. LOCK

1шт.

3

42W-23-21310

REAR AXLE

EnglischBem: AXLE WITH 25% LIMITED SLIP

1шт.

4

42W-23-21420

REAR AXLE

EnglischBem: AXLE WITH 100% DIFF. LOCK

1шт.

5

42W-23-21530

TRANSMISSION

EnglischBem: AXLE WITH 25% LIMITED SLIP AXLE WITH 100% DIFF. LOCK

1шт.

6

42T-06-25230

SENSOR

DeutschDesc: SENSOR

1шт.

7

42W-09-H2860

SEAL

EnglischBem: REPAIRS AND REPLACES 42U-00-H0550

1шт.

8

20E-22-K1150

NUT

DeutschDesc: MUTTER

20шт.

9

01252-72090

SCREW

DeutschDesc: SCHRAUBE

8шт.

10

42Y-00-H0040

LUBRICATION NIPPLE

DeutschDesc: SCHMIERNIPPEL

2шт.

11

424-V07-H070

SECURITY CAP

DeutschDesc: SCHUTZKAPPE

2шт.

Выбрано товаров: 11