Запчасти Komatsu WA100SS-3A БЛОКИР. ШАНГА И КРЫШКА(SUPER БЕСШУМН. СПЕЦИФ-Я) ОСНОВНАЯ РАМА И ЕЕ ЧАСТИ

Схема запчастей Komatsu WA100SS-3A - БЛОКИР. ШАНГА И КРЫШКА(SUPER БЕСШУМН. СПЕЦИФ-Я) ОСНОВНАЯ РАМА И ЕЕ ЧАСТИ
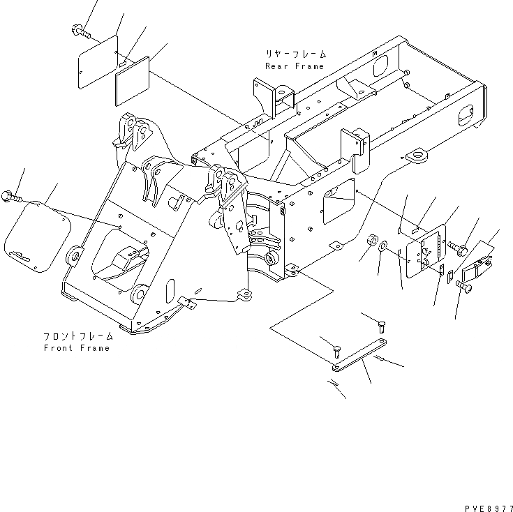
1
2
2
3
4
5
6
7
8
9
10
10
11
12
13
14
15
16
17
17
18
FIT
1:1
100%

Артикул

Название

Примечание

Количество

1

417-46-24110

BAR

SN: 53001-UP

1шт.

2

416-46-12230

PIN

SN: 53001-UP

2шт.

3

04050-18055

PIN,COTTER

SN: 53001-UP

1шт.

4

415-46-11360

PIN,SNAP

SN: 53001-UP

1шт.

5

417-46-11310

COVER

SN: 53001-UP

1шт.

6

01435-01225

BOLT

SN: 53001-UP

4шт.

7

417-46-24120

COVER,R.H.

SN: 53001-UP

1шт.

8

01435-01225

BOLT

SN: 53001-UP

2шт.

9

416-46-24110

COVER,L.H.

SN: 53001-UP

1шт.

10

421-09-21420

SHEET

SN: 53001-UP

2шт.

11

01435-01225

BOLT

SN: 53001-UP

2шт.

12

421-09-12322

HOLDER

SN: 53001-UP

1шт.

13

417-46-12280

PLATE

SN: 53001-UP

1шт.

14

01220-40412

SCREW

SN: 53001-UP

5шт.

15

01641-20405

WASHER

SN: 53001-UP

5шт.

16

01580-60403

NUT

SN: 53001-UP

5шт.

17

421-09-21420

SHEET

SN: 53001-UP

4шт.

18

416-Z97-2660

SHEET

SN: 53001-UP

1шт.

Выбрано товаров: 0