Запчасти Komatsu WA100SSS-3-H БЛОКИР. ШАНГА И КРЫШКА(SUPER SILENT СПЕЦ. СПЕЦ-Я.) ОСНОВНАЯ РАМА И ЕЕ ЧАСТИ

Схема запчастей Komatsu WA100SSS-3-H - БЛОКИР. ШАНГА И КРЫШКА(SUPER SILENT СПЕЦ. СПЕЦ-Я.) ОСНОВНАЯ РАМА И ЕЕ ЧАСТИ
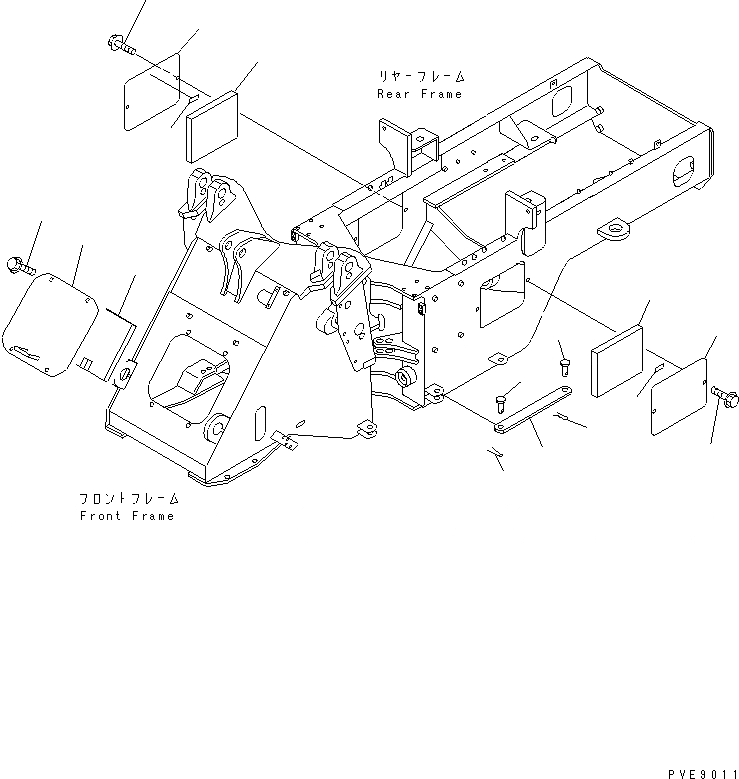
1
2
2
3
4
5
6
7
8
8
9
9
10
10
11
11
FIT
1:1
100%

Артикул

Название

Примечание

Количество

1

417-46-24110

BAR

SN: 63001-UP

1шт.

2

416-46-12230

PIN

SN: 63001-UP

2шт.

3

04050-18055

PIN,COTTER

SN: 63001-UP

1шт.

4

415-46-11360

PIN,SNAP

SN: 63001-UP

1шт.

5

417-46-11310

COVER

SN: 63001-UP

1шт.

6

01435-01225

BOLT

SN: 63001-UP

4шт.

7

418-Z97-3650

SHEET

SN: 63001-UP

1шт.

8

417-46-24120

COVER

SN: 63001-UP

2шт.

9

01435-01225

BOLT

SN: 63001-UP

4шт.

10

421-09-21420

SHEET

SN: 63001-UP

4шт.

11

416-Z97-2660

SHEET

SN: 63001-UP

2шт.

Выбрано товаров: 11