Запчасти Komatsu WA115-3 ГЕНЕРАТОР ЭЛЕКТРИЧ. СИСТЕМА

Схема запчастей Komatsu WA115-3 - ГЕНЕРАТОР ЭЛЕКТРИЧ. СИСТЕМА
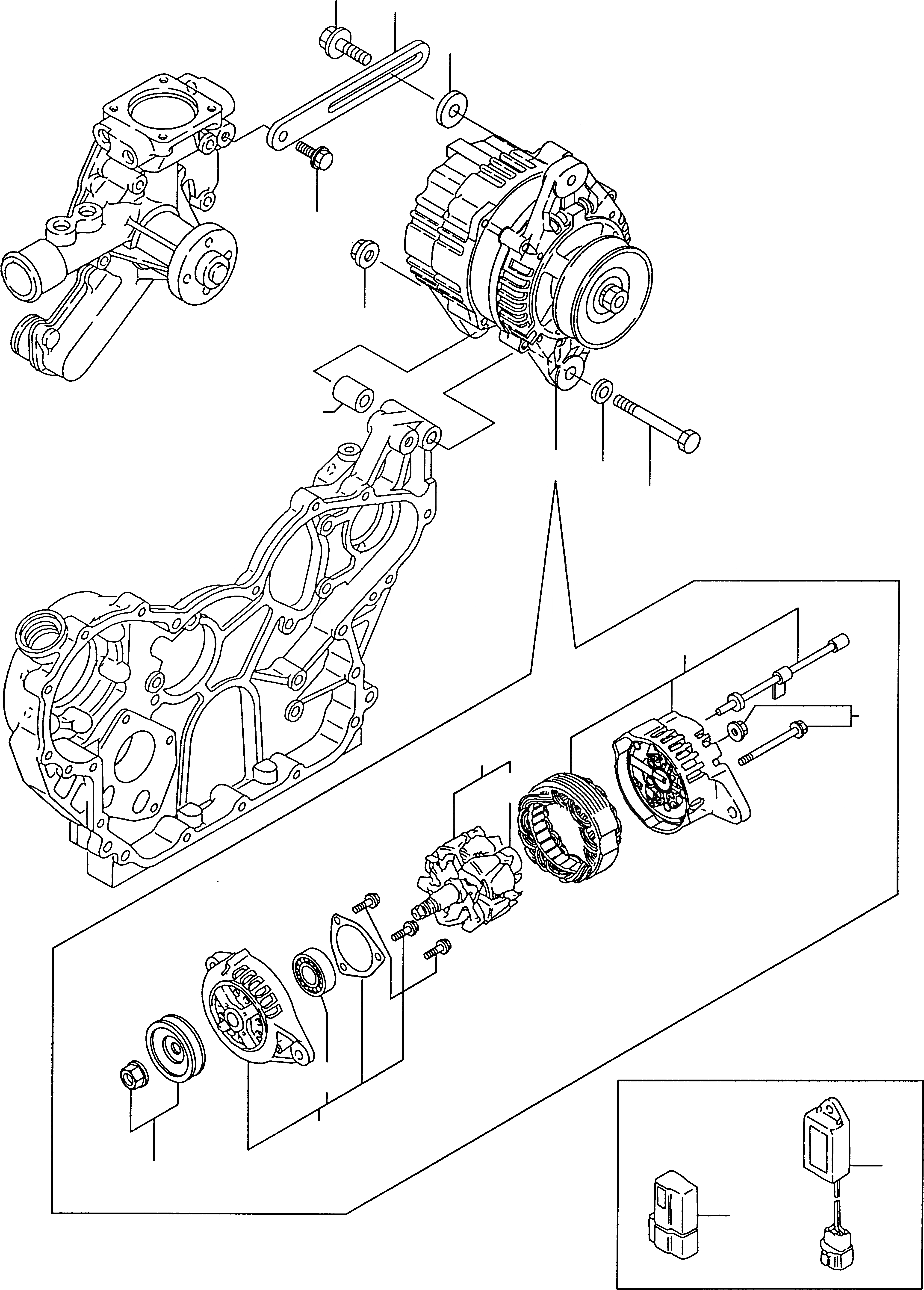
16
14
15
17
13
10
1
11
12
4
9
2
3
6
5
19
8
18
FIT
1:1
100%

Артикул

Название

Примечание

Количество

1

YM123910-77210

ALTERNATOR

DeutschDesc: LICHTM.DREHSTROM

1шт.

2

YM123910-77740

ROTOR ASSEMBLY

DeutschDesc: ROTOR KPL

1шт.

3

YM129900-77810

BALL BEARING

DeutschDesc: KUGELLAGER

1шт.

4

YM123910-77760

SPOOL & HOUSING

DeutschDesc: SPULE & GEHAEUSE

1шт.

5

YM129900-77890

HOUSING ASSEMBLY

DeutschDesc: GEHAEUSE KPL

1шт.

6

YM129900-77900

BALL BEARING

DeutschDesc: KUGELLAGER

1шт.

7

NOT USED

DeutschDesc: NICHT VERWENDET

-1шт.

8

YM123910-77910

PULLEY

DeutschDesc: RIEMENSCHEIBE

1шт.

9

YM129900-77920

BOLT KIT

DeutschDesc: SCHRAUBENSATZ

1шт.

10

YM123900-77340

DISTANCE PIECE

DeutschDesc: DISTANZSTUECK

1шт.

11

YM22137-100000

PLAIN WASHER

DeutschDesc: UNTERLEGSCHEIBE

1шт.

12

YM26116-101202

SCREW

DeutschDesc: SCHRAUBE

1шт.

13

YM26301-100002

NUT

DeutschDesc: MUTTER

1шт.

14

YM123900-77330

BRACKET

DeutschDesc: HALTER

1шт.

15

YM121236-77340

DISTANCE PIECE

DeutschDesc: DISTANZSTUECK

1шт.

16

YM119005-77350

SCREW

DeutschDesc: SCHRAUBE

1шт.

17

YM26014-080252

SCREW

DeutschDesc: SCHRAUBE

1шт.

18

YM119643-66900

DIODE

DeutschDesc: DIODE

1шт.

19

YM129211-77920

TIME SWITCH

DeutschDesc: ZEITSCHALTER

1шт.

Выбрано товаров: 19