Запчасти Komatsu WA115-3 ЗАДН. МОСТ ЗАДН. МОСТ

Схема запчастей Komatsu WA115-3 - ЗАДН. МОСТ ЗАДН. МОСТ
3
10
8
1
2
3
4
5
6
6A
6
6A
9
8
8
10
7
9
7
11
12
13
7
FIT
1:1
100%

Артикул

Название

Примечание

Количество

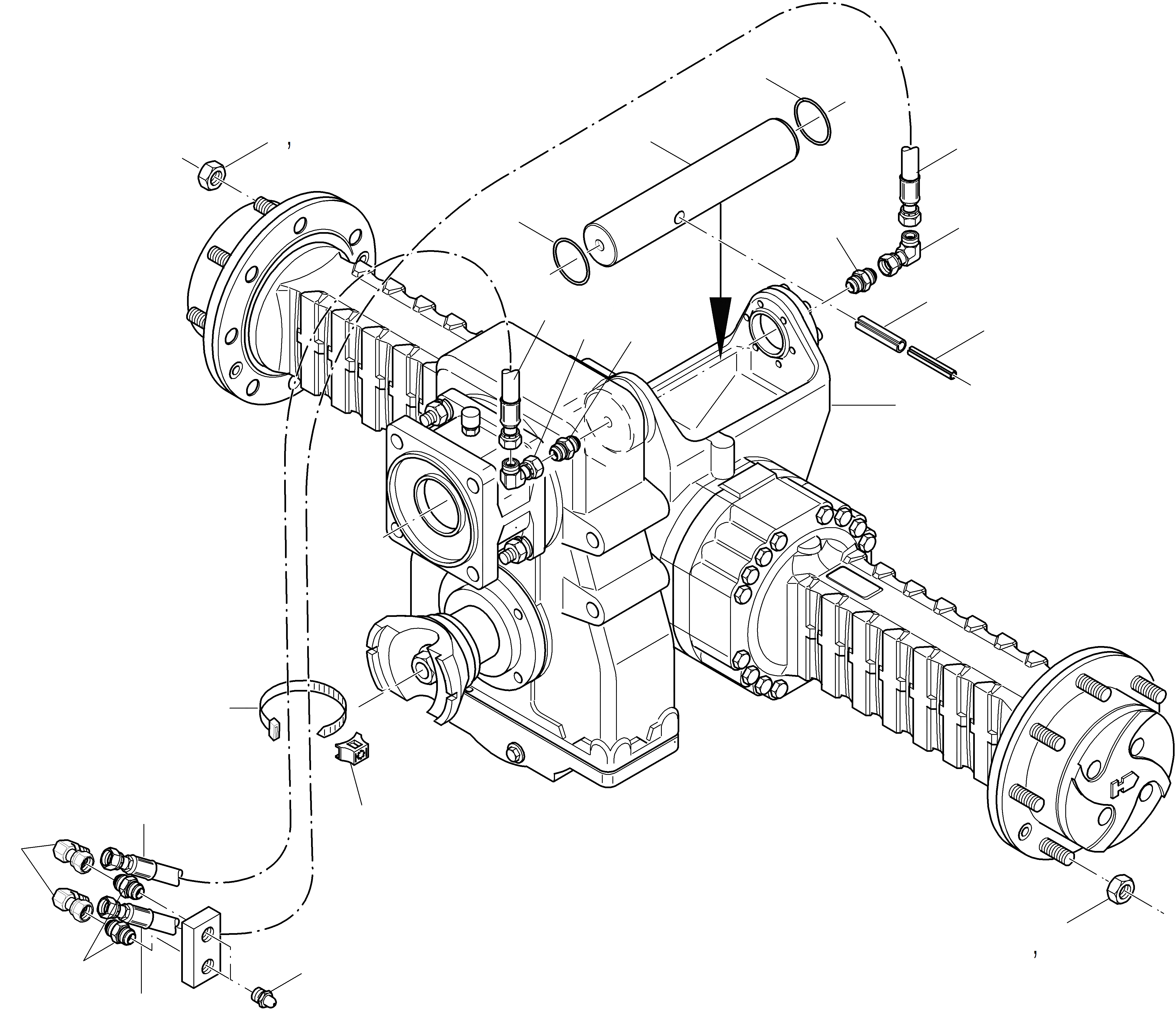
1

42R-23-10100

REAR AXLE

DeutschDesc: HINTERACHSE

1шт.

2

42R-23-16100

PIN

DeutschDesc: BOLZEN

1шт.

3

42R-23-H0P01

O-RING

DeutschDesc: O-RING

2шт.

4

42R-09-H0350

DOWEL PIN

DeutschDesc: SPANNSTIFT

1шт.

5

42R-09-H0360

DOWEL PIN

DeutschDesc: SPANNSTIFT

1шт.

6

42R-22-H0P06

NUT

EnglischBem: - C-ITA-722007

16шт.

6A

42W-22-H0P60

NUT

EnglischBem: C-ITA-722008 -

16шт.

7

423-00-H1690

STUD

DeutschDesc: STUTZEN

4шт.

8

423-00-H1630

ELBOW NIPPLE

DeutschDesc: WINKELSTUTZEN

4шт.

9

42Y-00-H3010

HOSE ASSEMBLY

EnglischBem: 1670 MM

1шт.

10

42U-09-H1140

HOSE ASSEMBLY

EnglischBem: 1800 MM

1шт.

11

42Y-00-H0040

LUBRICATION NIPPLE

DeutschDesc: SCHMIERNIPPEL

2шт.

12

42W-09-H0590

BRACKET

DeutschDesc: HALTER

3шт.

13

08034-20834

BAND

DeutschDesc: BAND

4шт.

Выбрано товаров: 14