Запчасти Komatsu WA120-1 МАРКИРОВКА (TBG/ABE СПЕЦ-Я.) СПЕЦ. APPLICATION ЧАСТИ

Схема запчастей Komatsu WA120-1 - МАРКИРОВКА (TBG/ABE СПЕЦ-Я.) СПЕЦ. APPLICATION ЧАСТИ
FIT
1:1
100%

Артикул

Название

Примечание

Количество

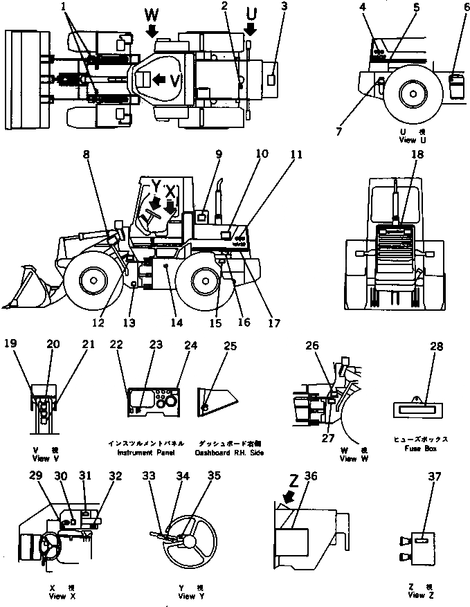
1

419-93-11930

PLATE, CAUTION

SN: 10001-UP

2шт.

2

09668-02000

PLATE, SAFETY,RADIATOR CAP

SN: 10001-UP

1шт.

3

416-93-11450

PLATE, CAUTION,BATTERY

SN: 10001-UP

1шт.

4

416-93-11720

PLATE

SN: 10001-UP

-1шт.

5

416-93-11430

STRIPE

SN: 10001-UP

1шт.

6

09653-02000

PLATE, SAFETY,HYDRAULIC

SN: 10001-UP

1шт.

7

09101-02000

PLATE, CAUTION,FUEL

SN: 10001-UP

1шт.

8

419-93-11950

PLATE, CAUTION,KEEP OUT

SN: 10001-UP

2шт.

9

09637-81161

PLATE, INSTRUCTION

SN: 10001-UP

1шт.

10

419-93-11950

PLATE, CAUTION,KEEP OUT

SN: 10001-UP

2шт.

11

416-93-11710

PLATE

SN: 10001-UP

1шт.

12

362-98-11620

PLATE, CAUTION,KEEP OUT

SN: 10001-UP

1шт.

13

362-98-11160

PLATE, CAUTION,FRAME LOCK

SN: 10001-UP

1шт.

14

419-93-11541

PLATE, CAUTION,OIL INSPECTION

SN: 10001-UP

1шт.

15

419-93-11930

PLATE, CAUTION

SN: 10001-UP

1шт.

16

20T-98-22330

PLATE, SAFETY,FAN BELT

SN: 10001-UP

2шт.

17

416-93-11430

STRIPE

SN: 10001-UP

1шт.

18

09690-50400

PLATE, MARK,KOMATSU

SN: 10001-UP

1шт.

19

419-93-11531

PLATE, CAUTION,TRANSMISSION OIL TEMPERATURE

SN: 10001-UP

1шт.

20

419-93-11521

PLATE, SAFETY

SN: 10001-UP

1шт.

21

362-98-11150

PLATE, CAUTION,STARTING AND INSPECTION

SN: 10001-UP

1шт.

22

417-93-11540

PLATE, OPERATING,PARKING LAMP SWITCH

SN: 10001-UP

1шт.

23

417-93-11550

PLATE, OPERATING,WORKING LAMP SWITCH

SN: 10001-UP

1шт.

24

417-93-11531

PLATE, OPERATING,LIGHT SWITCH

SN: 10001-UP

1шт.

25

09683-21050

PLATE, OPERATING,STARTER SWITCH

SN: 10001-UP

1шт.

26

362-98-11620

PLATE, CAUTION,KEEP OUT

SN: 10001-UP

1шт.

27

09602-25635

PLATE, NAME,(LIMITED SUPPLY)

SN: 10001-UP

1шт.

27

04418-13060

SCREW

SN: 10001-UP

4шт.

28

417-93-11523

PLATE,FUSE BOX

SN: 10001-UP

1шт.

29

09685-00004

PLATE, OPERATING,LOCK LEVER

SN: 10001-UP

1шт.

30

417-93-11121

PLATE, OPERATING,LOADER CONTROL

SN: 10001-UP

1шт.

31

419-93-11571

PLATE, CAUTION,BRAKE OIL

SN: 10001-UP

1шт.

32

416-93-11350

PLATE,FUSE BOX

SN: 10001-UP

1шт.

33

417-93-11170

PLATE

SN: 10001-UP

1шт.

34

417-93-11160

PLATE

SN: 10001-UP

1шт.

35

417-93-11131

PLATE, OPERATING,TRANSMISSION CONTROL

SN: 10001-UP

1шт.

36

416-93-11740

CHART, OIL

SN: 10001-UP

1шт.

37

416-93-11520

PLATE,FUSE BOX

SN: 10001-UP

1шт.

Выбрано товаров: 0