Запчасти Komatsu WA120-1 ДВИГАТЕЛЬ КАПОТ AND БОКОВ. КРЫШКА РАМА И ЧАСТИ КОРПУСА

Схема запчастей Komatsu WA120-1 - ДВИГАТЕЛЬ КАПОТ AND БОКОВ. КРЫШКА РАМА И ЧАСТИ КОРПУСА
FIT
1:1
100%

Артикул

Название

Примечание

Количество

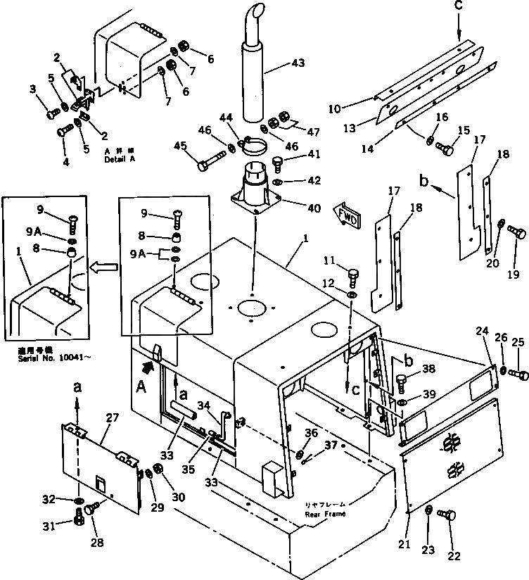
1

416-54-11923

HOOD

SN: 10041-UP

1шт.

1

0

HOOD

SN: 10001-10040

1шт.

2

424-09-12490

HOLDER

SN: 10001-UP

1шт.

3

01220-40412

SCREW

SN: 10001-UP

3шт.

4

01220-40416

SCREW

SN: 10001-UP

2шт.

5

01641-20405

WASHER

SN: 10001-UP

5шт.

6

01580-10403

NUT

SN: 10001-UP

5шт.

7

01601-20410

WASHER,SPRING

SN: 10001-UP

5шт.

8

418-60-15150

STOPPER

SN: 10041-UP

1шт.

8

425-54-12590

STOPPER

SN: 10001-10040

1шт.

9

01220-40635

SCREW

SN: 10041-UP

1шт.

9

01220-40420

SCREW

SN: 10001-10040

2шт.

9A

01602-20619

WASHER,SPRING

SN: 10041-UP

1шт.

9A

01643-31645

WASHER

SN: 10001-10040

4шт.

10

417-54-11570

PLATE

SN: 10001-UP

1шт.

11

01010-51220

BOLT

SN: 10001-UP

2шт.

12

01643-31232

WASHER

SN: 10001-UP

2шт.

13

417-54-11232

SHEET

SN: 10001-UP

1шт.

14

417-54-11222

PLATE

SN: 10001-UP

1шт.

15

01010-50820

BOLT

SN: 10001-UP

4шт.

16

01643-30823

WASHER

SN: 10001-UP

4шт.

17

417-54-11321

SHEET

SN: 10001-UP

2шт.

18

417-54-11251

PLATE

SN: 10001-UP

2шт.

19

01010-50820

BOLT

SN: 10001-UP

6шт.

20

01643-30823

WASHER

SN: 10001-UP

6шт.

21

416-54-11951

GRILLE

SN: 10001-UP

1шт.

22

01010-51220

BOLT

SN: 10001-UP

4шт.

23

01643-31232

WASHER

SN: 10001-UP

4шт.

24

417-54-11183

COVER

SN: 10001-UP

1шт.

25

01010-50816

BOLT

SN: 10001-UP

4шт.

26

01643-30823

WASHER

SN: 10001-UP

4шт.

27

416-54-11930

DOOR,L.H.

SN: 10001-UP

1шт.

27

416-54-11940

DOOR,R.H.

SN: 10001-UP

1шт.

28

01010-50612

BOLT

SN: 10001-UP

4шт.

29

01643-30623

WASHER

SN: 10001-UP

4шт.

30

01580-10605

NUT

SN: 10001-UP

4шт.

31

01010-51220

BOLT

SN: 10001-UP

4шт.

32

01643-31232

WASHER

SN: 10001-UP

4шт.

33

417-54-11270

SHEET

SN: 10001-UP

4шт.

34

416-54-11840

ROD

SN: 10001-UP

2шт.

35

416-54-11171

HOSE

SN: 10001-UP

2шт.

36

01641-21016

WASHER

SN: 10001-UP

2шт.

37

04050-12015

PIN,COTTER

SN: 10001-UP

2шт.

38

01010-51230

BOLT

SN: 10001-UP

8шт.

39

01643-31232

WASHER

SN: 10001-UP

8шт.

40

417-02-11112

BRACKET

SN: 10001-UP

1шт.

41

01010-51225

BOLT

SN: 10001-UP

4шт.

42

124-54-26540

WASHER

SN: 10001-UP

4шт.

43

417-02-11130

PIPE,EXHAUST (WITH GLASSWOOL)

SN: 10001-UP

1шт.

43

417-Z15-1130

PIPE,EXHAUST (WITHOUT GLASSWOOL)

SN: 10001-UP

1шт.

44

417-02-11121

CLAMP

SN: 10001-UP

1шт.

45

01010-51290

BOLT

SN: 10001-UP

1шт.

46

01640-21223

WASHER

SN: 10001-UP

2шт.

47

01580-11210

NUT

SN: 10001-UP

2шт.

Выбрано товаров: 0