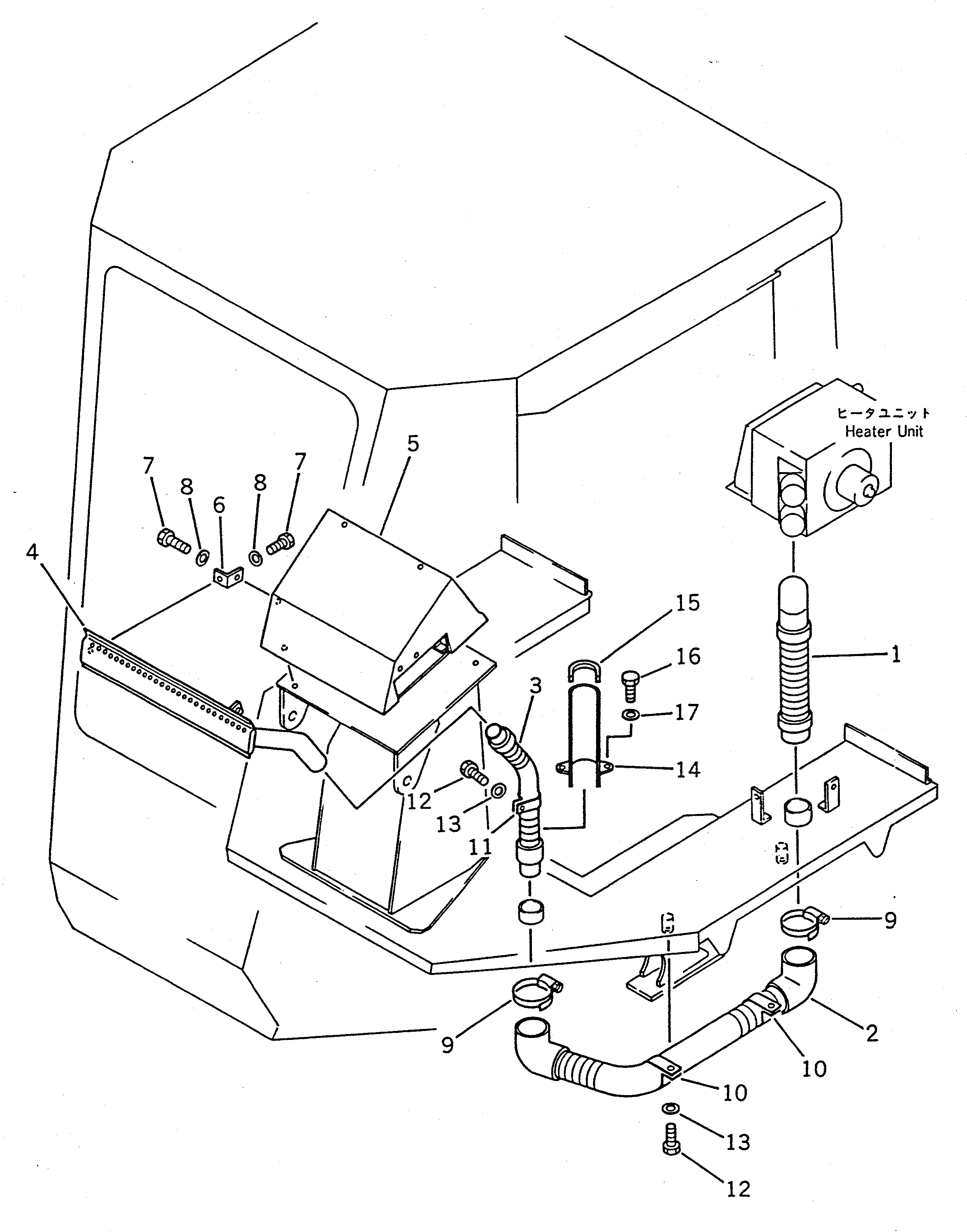
Запчасти Komatsu WA120-1 ОБОГРЕВАТЕЛЬ. И АНТИОБЛЕДЕНИТЕЛЬ (/)(№-999) РАМА И ЧАСТИ КОРПУСА

Схема запчастей Komatsu WA120-1 - ОБОГРЕВАТЕЛЬ. И АНТИОБЛЕДЕНИТЕЛЬ (/)(№-999) РАМА И ЧАСТИ КОРПУСА
FIT
1:1
100%

Артикул

Название

Примечание

Количество

1

416-942-1730

HOSE

SN: 10001-@

1шт.

2

416-942-1360

PIPE

SN: 10001-@

1шт.

3

01010-50616

BOLT

SN: 10001-@

2шт.

4

01643-30623

WASHER

SN: 10001-@

2шт.

5

416-942-1320

HOSE

SN: 10001-11999

1шт.

6

07281-00709

CLAMP

SN: 10001-11999

2шт.

7

416-942-1370

PIPE

SN: 10001-@

1шт.

8

01010-50616

BOLT

SN: 10001-@

2шт.

9

01643-30623

WASHER

SN: 10001-@

2шт.

10

416-942-1330

HOSE

SN: 10001-11999

1шт.

11

416-942-1210

NOZZLE

SN: 10001-@

1шт.

12

416-942-1280

BRACKET

SN: 10001-@

1шт.

13

01010-51020

BOLT

SN: 10001-@

3шт.

14

01643-31032

WASHER

SN: 10001-@

3шт.

15

205-03-71191

CLAMP

SN: 10001-@

2шт.

16

565-07-15170

CLIP

SN: 10001-@

1шт.

17

01010-50816

BOLT

SN: 10001-@

3шт.

18

01643-30823

WASHER

SN: 10001-@

3шт.

19

416-942-1221

COVER

SN: 10001-11999

1шт.

20

416-942-1260

PROTECTOR

SN: 10001-11999

1шт.

21

01010-50816

BOLT

SN: 10001-11999

2шт.

22

01643-30823

WASHER

SN: 10001-11999

2шт.

Выбрано товаров: 22