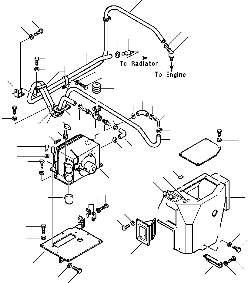
Запчасти Komatsu WA120-1LC ГИДР. ПРОВОД. ОБОГРЕВАТЕЛЯ KOMATSU - заводской номер A THRU A7 РАМА

Схема запчастей Komatsu WA120-1LC - ГИДР. ПРОВОД. ОБОГРЕВАТЕЛЯ KOMATSU - заводской номер A THRU A7 РАМА
35
48
49
31
36
41
38
40
45
42
46
44
43
9
47
34
37
35
38
38
51
39
53
31
52
31
32
54
50
2
38
33
23
32
3
40
24
8
22
30
31
2A
6
29
7
28
15
1
26
27
14
4
25
18
17
10
24
23
11
16
5
20
19
21
13
12
FIT
1:1
100%

Артикул

Название

Примечание

Количество

1

HEATER ASSEMBLY (SEE PG 05-090)

-29шт.

2

416-942-1761

ROD, CONTROL LEVER

1шт.

2A

LEVER, CONTROL (SEE PG 05-090)

-29шт.

3

01235-40308

SCREW, CONTROL LEVER ROD

1шт.

4

416-942-1630

CAP

1шт.

5

416-942-1452

PLATE, HEATER CASE - BOTTOM

1шт.

6

01010-51025

BOLT, HEATER TO BOTTOM PLATE

2шт.

7

01643-31032

WASHER

2шт.

8

01010-50612

BOLT, HEATER TO BOTTOM PLATE

2шт.

9

01602-20619

WASHER, LOCK

2шт.

10

01010-51035

BOLT, BOTTOM PLATE

2шт.

11

01643-31032

WASHER

2шт.

12

01010-51020

BOLT, BOTTOM PLATE

2шт.

13

01643-31032

WASHER

2шт.

14

416-942-1411

CASE, HEATER

1шт.

15

SWITCH, HEATER (SEE PG 05-090)

-29шт.

16

416-942-1431

DUCT, HEATER

1шт.

17

01010-50612

BOLT, HEATER DUCT

4шт.

18

01602-20619

WASHER, LOCK

4шт.

19

416-942-1460

BRACKET, TOP PLATE MOUNTING

1шт.

20

01010-50612

BOLT, BRACKET TO CASE

2шт.

21

01602-20619

WASHER, LOCK

2шт.

22

416-942-1421

PLATE, HEATER CASE - TOP

1шт.

23

01010-50616

BOLT, TOP PLATE AND HEATER CASE

5шт.

24

01602-20619

WASHER, LOCK

5шт.

25

416-942-1521

PLATE, TENSION

2шт.

26

01010-50612

BOLT, TENSION PLATE

4шт.

27

01602-20619

WASHER, LOCK

4шт.

28

416-942-1810

PRODUCT GRAPHIC, HEATER VENT CONTROL

1шт.

29

416-942-1791

PRODUCT GRAPHIC, HEATER FAN CONTROL

1шт.

|$61

-1шт.

|$31

LINE - ENGINE TO HEATER:

-1шт.

30

09483-30550

HOSE, ELBOW - AT HEATER

1шт.

31

07281-00259

CLAMP, HEATER HOSE

4шт.

32

416-942-1560

CONNECTOR, HEATER SHUT-OFF VALVE

2шт.

33

416-942-1510

VALVE, WATER SHUT-OFF

1шт.

34

416-942-1580

BOOT, SHUT-OFF VALVE

1шт.

35

09483-10531

HOSE, HEATER TO ENGINE

1шт.

36

416-942-1543

ELBOW, AT ENGINE

1шт.

|$62

-1шт.

|$40

LINE - HEATER TO RADIATOR:

-1шт.

37

09483-30550

HOSE, ELBOW - AT HEATER

1шт.

38

07281-00259

CLAMP, HEATER HOSE

4шт.

39

416-942-1550

ELBOW

1шт.

40

09483-10527

HOSE, HEATER TO RADIATOR

1шт.

41

416-942-1560

CONNECTOR, AT RADIATOR

1шт.

|$63

-1шт.

|$47

LINE HOLDING DEVICES:

-1шт.

42

421-07-11760

CLIP, HEATER HOSES

2шт.

43

01010-51220

BOLT

1шт.

44

01643-31232

WASHER

1шт.

45

01010-51020

BOLT

1шт.

46

01643-31032

WASHER

1шт.

47

416-942-1860

BRACKET, HOSE CLIP MOUNTING

1шт.

48

01010-51225

BOLT, MOUNT BRACKET

1шт.

49

01643-31233

WASHER

1шт.

50

416-942-1871

PLATE

1шт.

51

01010-50612

BOLT, PLATE

2шт.

52

01602-20619

WASHER, LOCK

2шт.

53

416-942-1530

GROMMET

1шт.

54

08034-00823

STRAP, TIE

1шт.

Выбрано товаров: 0